Запчасти Komatsu WA180-3MC FIG. M-A ЛЕСТНИЦА ЧАСТИ КОРПУСА

Схема запчастей Komatsu WA180-3MC - FIG. M-A ЛЕСТНИЦА ЧАСТИ КОРПУСА
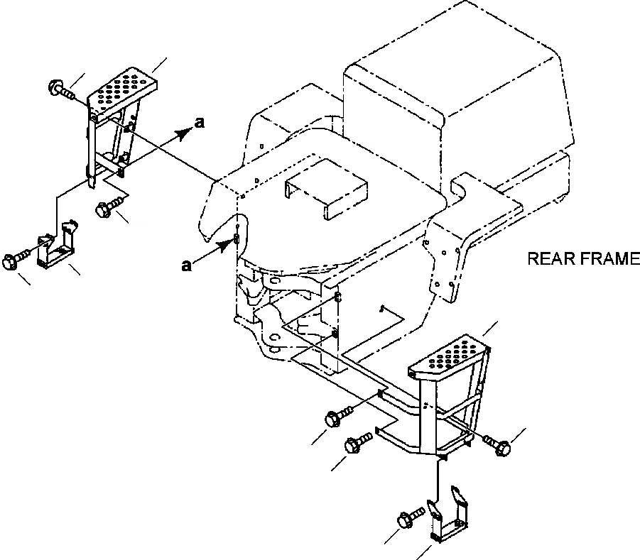
7
9
8
10
11
1
2
3
4
6
5
FIT
1:1
100%

Артикул

Название

Примечание

Количество

1

417-54-24491

LADDER, L.H.

SN: A81001-UP-UP

1шт.

2

01435-01235

BOLT

SN: A81001-UP-UP

2шт.

3

01435-01230

BOLT

SN: A81001-UP-UP

2шт.

4

01435-01220

BOLT

SN: A81001-UP-UP

1шт.

5

417-54-24290

STEP

SN: A81001-UP-UP

1шт.

6

01435-01020

BOLT

SN: A81001-UP-UP

4шт.

7

417-54-24210

LADDER, R.H.

SN: A81001-UP-UP

1шт.

8

01435-01230

BOLT

SN: A81001-UP-UP

2шт.

9

01435-01220

BOLT

SN: A81001-UP-UP

2шт.

10

417-54-24290

STEP

SN: A81001-UP-UP

1шт.

11

01435-01020

BOLT

SN: A81001-UP-UP

4шт.

Выбрано товаров: 11