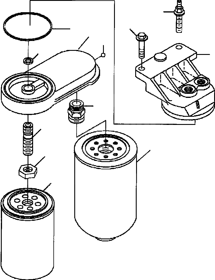
Запчасти Komatsu WA180-3MC FIG. A9-AA9 ТОПЛИВН. ФИЛЬТР. ДВИГАТЕЛЬ

Схема запчастей Komatsu WA180-3MC - FIG. A9-AA9 ТОПЛИВН. ФИЛЬТР. ДВИГАТЕЛЬ
12
4
9
1
2
10
8
3
11
7
5
6
FIT
1:1
100%

Артикул

Название

Примечание

Количество

|$0

6732-71-6270

HEAD, FUEL FILTER

1шт.

1

NSS

HEAD, FUEL FILTER

1шт.

2

6736-71-6250

BALL

1шт.

3

NSS

ADAPTER, FILTER HEAD

1шт.

4

6732-71-6140

BOLT - M8-1.25 X 35

1шт.

5

6732-71-6130

NUT, JAM - M16-1.50

1шт.

6

6732-71-6320

FILTER, FUEL

1шт.

7

6742-01-5065

FILTER, FUEL/WATER SEPARATOR

1шт.

8

6735-71-6230

HEAD, FUEL FILTER

1шт.

9

6736-71-6220

SEAL, RECTANGULAR RING

1шт.

10

6736-71-6230

SEAL, RECTANGULAR RING

1шт.

11

6735-71-6150

ADAPTER, FILTER HEAD

1шт.

12

6735-71-6550

BOLT

1шт.

Выбрано товаров: 13