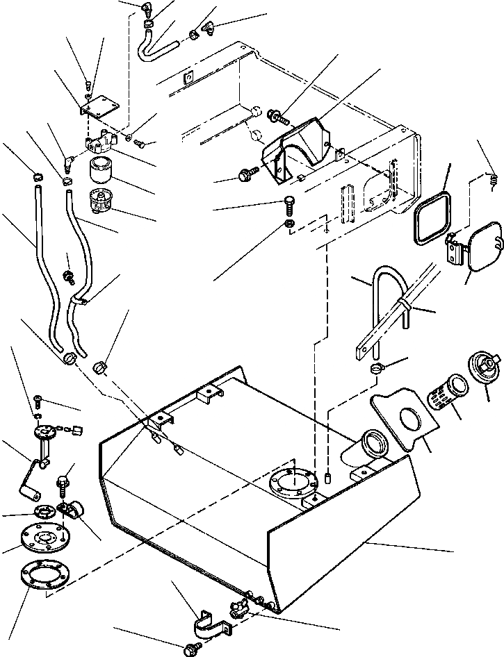
Запчасти Komatsu WA180-3MC FIG. D-A ТОПЛИВН. БАК. ASSEMBLY ТОПЛИВН. БАК. AND КОМПОНЕНТЫ

Схема запчастей Komatsu WA180-3MC - FIG. D-A ТОПЛИВН. БАК. ASSEMBLY ТОПЛИВН. БАК. AND КОМПОНЕНТЫ
10
16
10
16
15
25
26
28
27
22
24
16
10
30
38
23
31
17
32
19
37
41
18
9
21
20
34
42
29
10
38
36
14
35
39
13
40
11
4
33
12
5
2
1
7
8
6
3
FIT
1:1
100%

Артикул

Название

Примечание

Количество

1

417-04-A0200

FUEL TANK

SN: A81001-UP-UP

1шт.

2

416-04-10150

COVER

SN: A81001-UP-UP

1шт.

3

421-04-11191

GASKET

SN: A81001-UP-UP

1шт.

4

01435-01020

BOLT

SN: A81001-UP-UP

6шт.

5

08036-10810

CLIP

SN: A81001-UP-UP

1шт.

6

363-04-11130

VALVE

SN: A81001-UP-UP

1шт.

7

417-04-10140

COVER

SN: A81001-UP-UP

1шт.

8

01435-00816

BOLT

SN: A81001-UP-UP

2шт.

9

417-04-A0190

HOSE

SN: A81001-UP-UP

1шт.

10

07281-00259

CLAMP

SN: A81001-UP-UP

4шт.

11

417-04-10131

SENSOR

SN: A81001-UP-UP

1шт.

12

419-04-10140

GASKET

SN: A81001-UP-UP

1шт.

13

01220-40512

SCREW

SN: A81001-UP-UP

5шт.

14

01601-20513

WASHER

SN: A81001-UP-UP

5шт.

15

417-04-A0180

HOSE

SN: A81001-UP-UP

1шт.

16

864 457 R1

ELBOW

SN: A81001-UP-UP

3шт.

|$16

417-04-A0140

STRAINER, FUEL

SN: A81001-UP-UP

1шт.

17

417-04-A0150

HEAD

SN: A81001-UP-UP

1шт.

18

417-04-A0160

BOWL ASSEMBLY

SN: A81001-UP-UP

1шт.

19

417-04-A0210

ELEMENT

SN: A81001-UP-UP

1шт.

20

04434-51910

CLIP

SN: A81001-UP-UP

1шт.

21

01435-01020

BOLT

SN: A81001-UP-UP

1шт.

22

417-04-A0170

BRACKET

SN: A81001-UP-UP

1шт.

23

01080-81222

BOLT

SN: A81001-UP-UP

2шт.

24

01643-31232

WASHER

SN: A81001-UP-UP

2шт.

25

140 483 H

CAP SCREW

SN: A81001-UP-UP

4шт.

26

25 534 R1

WASHER

SN: A81001-UP-UP

4шт.

27

417-04-21131

COVER

SN: A81001-UP-UP

1шт.

28

01435-01020

BOLT

SN: A81001-UP-UP

2шт.

29

417-04-21171

COVER

SN: A81001-UP-UP

1шт.

30

09467-00006

SPRING

SN: A81001-UP-UP

1шт.

31

417-04-21210

FINISHER

SN: A81001-UP-UP

1шт.

32

01435-01020

BOLT

SN: A81001-UP-UP

2шт.

33

417-04-21220

RUBBER

SN: A81001-UP-UP

1шт.

34

07270-21090

HOSE, FUEL SYSTEM

SN: A81001-UP-UP

1шт.

35

07281-00167

CLAMP

SN: A81001-UP-UP

1шт.

36

306 132 C2

STRIP, CLAMP

SN: A81001-UP-UP

1шт.

37

07270-20889

HOSE, FUEL SYSTEM

SN: A81001-UP-UP

1шт.

38

07281-00167

CLAMP

SN: A81001-UP-UP

2шт.

39

423-04-11362

CAP

SN: A81001-UP-UP

1шт.

40

07056-18416

STRAINER

SN: A81001-UP-UP

1шт.

41

01010-81635

BOLT

SN: A81001-UP-UP

4шт.

42

421-70-11280

WASHER

SN: A81001-UP-UP

4шт.

Выбрано товаров: 43