Запчасти Komatsu WA180-3MC FIG. F-A ТРАНСМИССИЯ - ВХОДН. ВАЛ И THIRD И FOURTH ПРИВОД СИЛОВАЯ ПЕРЕДАЧА И КОНЕЧНАЯ ПЕРЕДАЧА

Схема запчастей Komatsu WA180-3MC - FIG. F-A ТРАНСМИССИЯ - ВХОДН. ВАЛ И THIRD И FOURTH ПРИВОД СИЛОВАЯ ПЕРЕДАЧА И КОНЕЧНАЯ ПЕРЕДАЧА
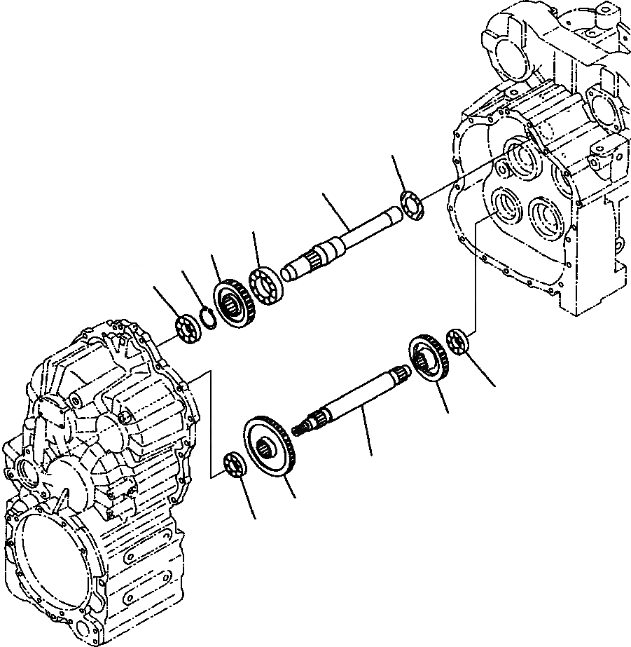
6
3
10
9
10
5
4
8
7
2
1
FIT
1:1
100%

Артикул

Название

Примечание

Количество

|$0

TRANSMISSION ASSEMBLY(SEE FIG. F4350-51A0)

SN: A81001-UP-UP

-1шт.

1

714-11-14510

SHAFT, INPUT

SN: A81001-UP-UP

1шт.

2

714-11-14610

GEAR, INPUT

SN: A81001-UP-UP

1шт.

3

06040-06210

BEARING

SN: A81001-UP-UP

1шт.

4

06040-06207

BEARING, BALL

SN: A81001-UP-UP

1шт.

5

04064-04818

RING, SNAP

SN: A81001-UP-UP

1шт.

6

419-15-12122

RING, SEAL

SN: A81001-UP-UP

1шт.

7

714-11-12250

SHAFT, 4TH

SN: A81001-UP-UP

1шт.

8

714-11-12510

GEAR, 4TH

SN: A81001-UP-UP

1шт.

9

714-11-12520

GEAR, 3RD

SN: A81001-UP-UP

1шт.

10

06040-06306

BEARING

SN: A81001-UP-UP

2шт.

Выбрано товаров: 11