Запчасти Komatsu WA180L-3 УПРАВЛ-Е ТОРМОЗОМ (УПРАВЛ-Е И ЛИНИЯ) КАБИНА ОПЕРАТОРА И СИСТЕМА УПРАВЛЕНИЯ

Схема запчастей Komatsu WA180L-3 - УПРАВЛ-Е ТОРМОЗОМ (УПРАВЛ-Е И ЛИНИЯ) КАБИНА ОПЕРАТОРА И СИСТЕМА УПРАВЛЕНИЯ
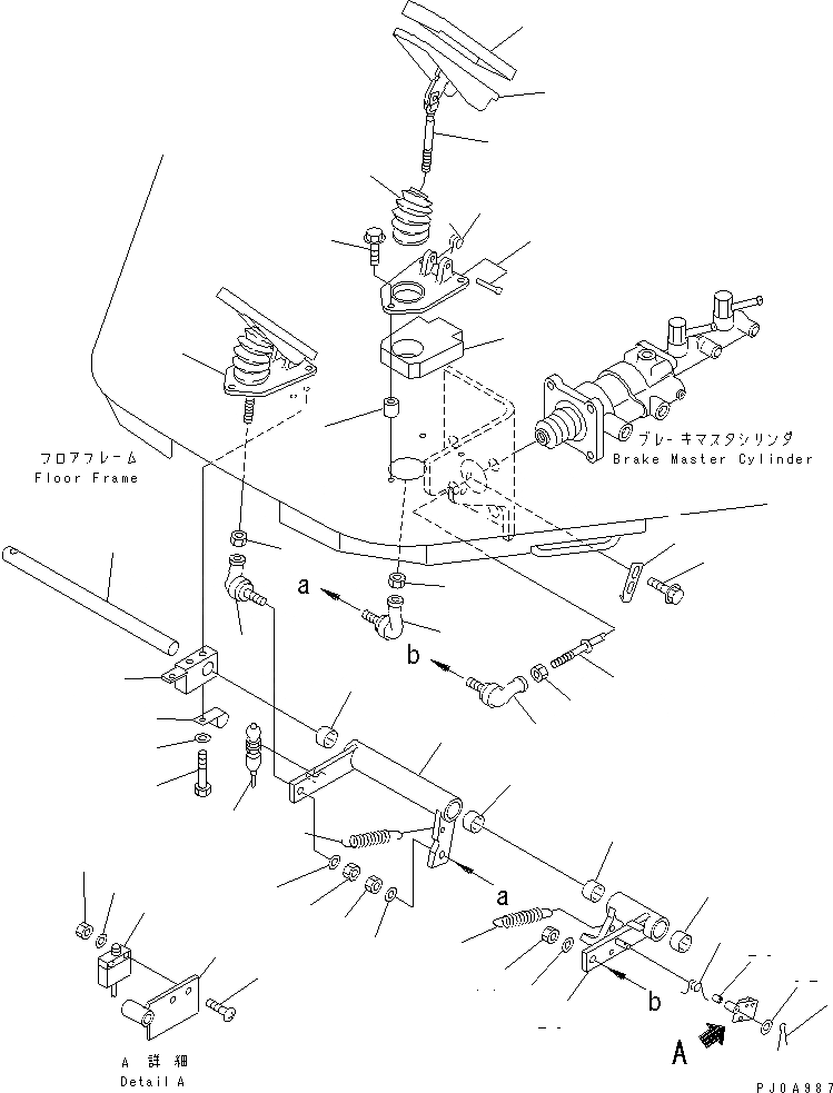
1
1
1
2
3
4
5
6
7
8
9
9
10
10
11
11
12
12
13
14
15
16
17
18
18
19
20
21
22
23
24
25
25
26
27
27
28
29
30
31
32
33
34
35
36
37
38
39
FIT
1:1
100%

Артикул

Название

Примечание

Количество

1

418-43-27190

PEDAL

SN: 54001-UP

2шт.

2

363-43-37410

PAD

SN: 54001-UP

1шт.

3

417-43-27410

BOOT

SN: 54001-UP

1шт.

4

417-43-27420

SPRING

SN: 54001-UP

1шт.

5

418-43-27140

ROD

SN: 54001-UP

1шт.

6

418-43-27150

SPACER

SN: 54001-UP

6шт.

7

01435-01055

BOLT

SN: 54001-UP

6шт.

8

418-43-27160

SHEET

SN: 54001-UP

2шт.

9

01582-11210

NUT

SN: 54001-UP

2шт.

10

04256-41230

JOINT,BALL

SN: 54001-UP

2шт.

11

01595-01210

NUT

SN: 54001-UP

2шт.

12

01643-31232

WASHER

SN: 54001-UP

2шт.

13

04256-41230

JOINT,BALL

SN: 54001-UP

1шт.

14

01595-01210

NUT

SN: 54001-UP

1шт.

15

01643-31232

WASHER

SN: 54001-UP

1шт.

16

01582-11210

NUT

SN: 54001-UP

1шт.

17

417-43-27150

ROD

SN: 54001-UP

1шт.

18

113-43-11180

SPRING

SN: 54001-UP

2шт.

19

08036-11214

CLIP

SN: 54001-UP

1шт.

20

01643-31232

WASHER

SN: 54001-UP

2шт.

21

417-43-27160

PLATE

SN: 54001-UP

1шт.

22

01010-81265

BOLT

SN: 54001-UP

2шт.

23

417-43-27120

SHAFT

SN: 54001-UP

1шт.

24

418-43-27180

LEVER

SN: 54001-UP

1шт.

25

06124-02520

BEARING

SN: 54001-UP

2шт.

26

418-43-27170

LEVER

SN: 54001-UP

1шт.

27

06124-02520

BEARING

SN: 54001-UP

2шт.

28

417-43-27381

PLATE

SN: 54001-UP

1шт.

29

417-43-17430

BUSHING

SN: 54001-UP

2шт.

30

418-Z80-1220

SPRING

SN: 54001-UP

1шт.

31

04050-11612

PIN

SN: 54001-UP

1шт.

32

01641-20608

WASHER

SN: 54001-UP

1шт.

33

42A-06-15120

SWITCH,STOP LAMP

SN: 54001-UP

1шт.

34

419-43-17811

SWITCH,CUT-OFF

SN: 54001-UP

1шт.

35

01220-40320

SCREW

SN: 54001-UP

2шт.

36

01641-20305

WASHER

SN: 54001-UP

4шт.

37

01580-60302

NUT

SN: 54001-UP

2шт.

38

417-43-27170

PLATE

SN: 54001-UP

1шт.

39

01435-01025

BOLT

SN: 54001-UP

2шт.

Выбрано товаров: 0