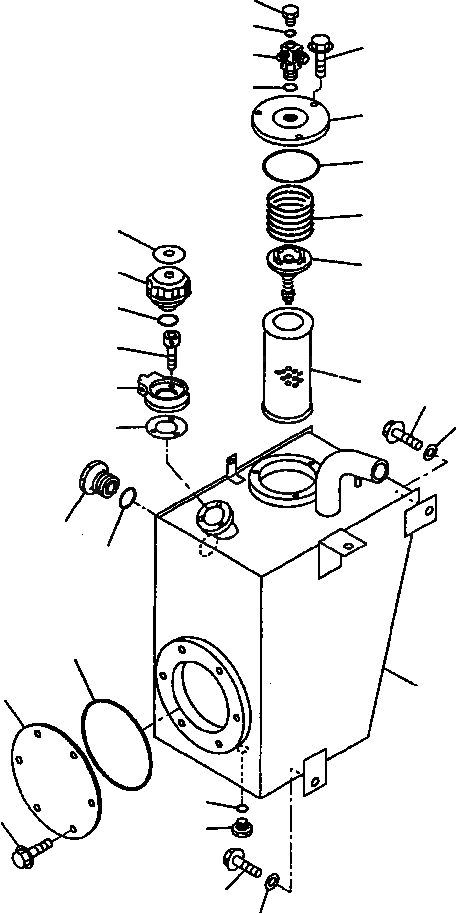
Запчасти Komatsu WA180PT-3L FIG NO. H-A ГИДР. БАК. ГИДРАВЛИКА

Схема запчастей Komatsu WA180PT-3L - FIG NO. H-A ГИДР. БАК. ГИДРАВЛИКА
25
26
24
22
23
21
18
17
14
13
16
12
11
9
15
19
20
10
5
6
3
2
1
8
4
7
19
20
FIT
1:1
100%

Артикул

Название

Примечание

Количество

1

417-60-25110

TANK

1шт.

2

417-60-25190

COVER

1шт.

3

07000-15200

O-RING

1шт.

4

01435-01020

BOLT

6шт.

5

421-60-11622

GAUGE

1шт.

6

07002-15234

O-RING

1шт.

7

07040-12412

PLUG, DRAIN

2шт.

8

07002-12434

O-RING

2шт.

|$8

417-60-15310

BREATHER ASSEMBLY

1шт.

9

417-60-15320

CASE ASSEMBLY

1шт.

10

417-60-15330

PACKING

1шт.

11

417-60-15340

BOLT

3шт.

12

417-60-15350

O-RING

1шт.

13

417-60-15450

BREATHER SUB-ASSEMBLY

1шт.

|$14

417-60-15360

VALVE ASSEMBLY

1шт.

|$15

417-60-15370

COVER

1шт.

|$16

417-60-15380

ELEMENT

1шт.

|$17

417-60-15390

COVER

1шт.

|$18

417-60-15410

BOLT

1шт.

14

417-60-15470

PLATE, CAUTION

1шт.

15

07063-01054

ELEMENT

1шт.

16

417-60-15130

VALVE ASSEMBLY

1шт.

17

125-62-21170

SPRING

1шт.

18

07000-12115

O-RING

1шт.

19

01435-01235

BOLT

3шт.

20

124-54-26540

WASHER

3шт.

21

417-62-23410

COVER

1шт.

22

417-62-23570

ELBOW

1шт.

23

07002-13334

O-RING

1шт.

24

01435-01230

BOLT

3шт.

25

424-60-15150

PLUG

1шт.

26

07000-12010

O-RING

1шт.

Выбрано товаров: 32