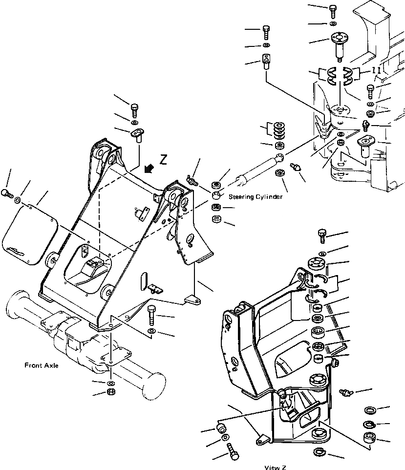
Запчасти Komatsu WA180PT-3L FIG NO. J-A ПЕРЕДН. РАМА (PARALLEL ИНСТРУМЕНТ НЕСУЩИЙ ЭЛЕМЕНТ) ПЕРЕДН. РАМА

Схема запчастей Komatsu WA180PT-3L - FIG NO. J-A ПЕРЕДН. РАМА (PARALLEL ИНСТРУМЕНТ НЕСУЩИЙ ЭЛЕМЕНТ) ПЕРЕДН. РАМА
12
13
31
10
32
30
11
22
31
23
32
21
28
20
29
26
19
24
15
34
26
14
35
33
25
26
26
27
6
7
5
4
1
9
8
36
3
37
8
9
37
2
38
18
17
39
16
41
17
40
FIT
1:1
100%

Артикул

Название

Примечание

Количество

1

417-46-11711

FRAME, FRONT

1шт.

|$1

417-877-A110

FRAME, FRONT

1шт.

|$2

417-T80-A200

FRAME, FRONT

1шт.

2

07020-00900

FITTING, GREASE (UPPER HINGE)

1шт.

3

418-46-11150

BEARING, UPPER HINGE

1шт.

4

418-46-11320

SHIM, 0.1mm (UPPER HINGE)

4шт.

|$6

418-46-11210

SHIM, 0.2mm

2шт.

|$7

418-46-11220

SHIM, 0.5mm

4шт.

5

418-46-11180

RETAINER, UPPER HINGE

1шт.

6

01010-51030

BOLT, UPPER HINGE RETAINER

6шт.

7

01643-31032

WASHER

6шт.

8

419-09-11110

SEAL, DUST (UPPER HINGE)

2шт.

9

418-46-11160

SPACER, UPPER HINGE

2шт.

10

418-46-11141

PIN, UPPER HINGE

1шт.

11

418-46-11240

SHIM, 0.1mm (UPPER HINGE PIN)

4шт.

|$15

418-46-11250

SHIM, 0.2mm

4шт.

|$16

418-46-11260

SHIM, 0.5mm

2шт.

|$17

418-46-11270

SHIM, 1.0mm

4шт.

12

01010-51235

BOLT, UPPER HINGE PIN

4шт.

13

01643-31232

WASHER

4шт.

14

418-46-11290

NUT, LOCKING - UPPER HINGE PIN

1шт.

15

418-46-11280

WASHER

1шт.

16

417-46-11250

BEARING, ROLLER (LOWER HINGE)

1шт.

17

417-46-11260

RING, SNAP (LOWER HINGE)

2шт.

18

417-46-11270

WASHER

1шт.

19

417-46-11240

PIN, LOWER HINGE

1шт.

20

07020-00900

FITTING, GREASE (LOWER HINGE)

1шт.

21

424-46-11130

BUSHING, LOWER HINGE

1шт.

22

01010-31230

BOLT, LOWER HINGE PIN

1шт.

23

01643-31232

WASHER

1шт.

24

07020-00675

FITTING, GREASE (STEERING CYLINDER)

2шт.

25

07020-00900

FITTING, GREASE (STEERING CYLINDER)

2шт.

26

419-09-11120

SEAL, DUST (STEERING CYLINDER)

8шт.

27

417-46-12250

SPACER (STEERING CYLINDER)

2шт.

28

419-46-12280

SHIM, 1.0mm (STEERING CYLINDER)

8шт.

|$35

419-46-12290

SHIM, 0.5mm

4шт.

29

419-46-12240

PIN, MOUNT STEERING CYLINDER (FRONT)

a

2шт.

|$37

418-46-A1210

PIN, MOUNT STEERING CYLINDER (FRONT)

b

2шт.

30

419-46-12260

PIN, MOUNT STEERING CYLINDER (REAR)

a

2шт.

|$39

418-46-A1230

PIN, MOUNT STEERING CYLINDER (REAR)

b

2шт.

31

01010-51220

BOLT, CYLINDER MOUNTING PINS

4шт.

32

175-54-34170

WASHER

4шт.

33

418-T80-A830

COVER, FRONT ACCESS

1шт.

|$43

418-T80-A840

COVER, FRONT ACCESS

1шт.

34

01010-31230

BOLT, MOUNT ACCESS COVER

4шт.

35

01643-31232

WASHER

4шт.

36

01011-32470

BOLT, MOUNT FRONT AXLE

8шт.

37

01643-32460

WASHER

16шт.

38

01580-02419

NUT

8шт.

39

416-46-11210

BUMPER

2шт.

40

01010-51225

BOLT, MOUNT BUMPER

2шт.

41

01643-31232

WASHER

2шт.

|$$53

-1шт.

|$53

F1 - FOR MACHINES NOT EQUIPPED WITH FRONT HYDRAULIC

-1шт.

|$54

ATTACHMENT.

-1шт.

|$$56

-1шт.

|$56

F2 - FOR MACHINES EQUIPPED WITH FRONT HYDRAULIC

-1шт.

|$57

ATTACHMENT.

-1шт.

Выбрано товаров: 58