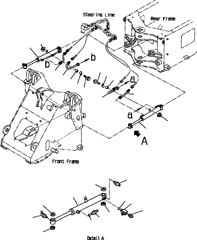
Запчасти Komatsu WA180PT-3L FIG NO. J-A ЦИЛИНДР РУЛЕВ. УПР-Я ТРУБЫ ПЕРЕДН. РАМА

Схема запчастей Komatsu WA180PT-3L - FIG NO. J-A ЦИЛИНДР РУЛЕВ. УПР-Я ТРУБЫ ПЕРЕДН. РАМА
18
1
17
15
9
16
8
16
15
17
7
6
18
2
4
3
1
13
12
3
14
3
5
10
11
3
FIT
1:1
100%

Артикул

Название

Примечание

Количество

1

CYLINDER ASSEMBLY, R.H. (SEE PG J-018)

-29шт.

2

CYLINDER ASSEMBLY, L.H. (SEE PG J-018)

-29шт.

3

07145-00035

SEAL

1шт.

4

07020-00000

FITTING, GREASE

1шт.

5

07020-00675

FITTING, GREASE

1шт.

6

417-62-21310

TUBE, L.H

1шт.

7

417-62-21320

TUBE, L.H

1шт.

8

417-62-21330

TUBE, R.H

1шт.

9

417-62-21340

TUBE, R.H

1шт.

10

07230-20422

UNION

1шт.

11

07002-12034

O-RING

1шт.

12

07235-50422

ELBOW

1шт.

13

07002-12034

O-RING

1шт.

14

07042-20108

PLUG

1шт.

15

175-914-4220

CLAMP

1шт.

16

423-54-11340

SPACER

1шт.

17

01435-01045

BOLT

1шт.

18

01584-01008

NUT

1шт.

Выбрано товаров: 0