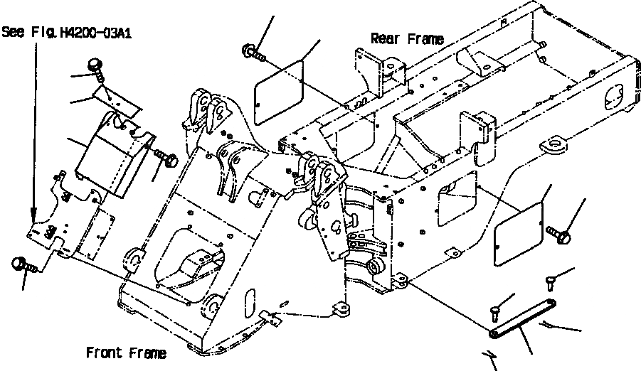
Запчасти Komatsu WA180PT-3L FIG NO. J9-A БЛОКИР. ШАНГА И КРЫШКА(С ECSS) ПЕРЕДН. РАМА

Схема запчастей Komatsu WA180PT-3L - FIG NO. J9-A БЛОКИР. ШАНГА И КРЫШКА(С ECSS) ПЕРЕДН. РАМА
6
5
10
8
7
5
6
10
2
2
9
4
1
3
FIT
1:1
100%

Артикул

Название

Примечание

Количество

1

417-46-24110

BAR, LOCK

1шт.

2

416-46-12230

PIN

2шт.

3

04050-18055

PIN, COTTER

1шт.

4

415-46-11360

PIN, SNAP

1шт.

5

417-46-24120

COVER

2шт.

6

01435-01225

BOLT

4шт.

7

417-S99-2220

COVER

1шт.

8

417-S99-2230

PLATE

1шт.

9

01435-01230

BOLT

4шт.

10

01435-01020

BOLT

6шт.

Выбрано товаров: 10