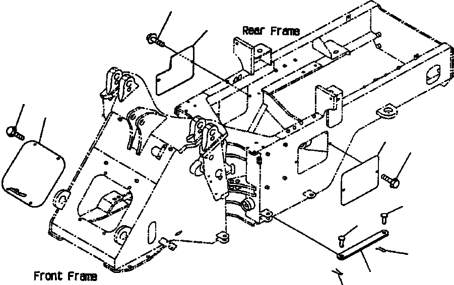
Запчасти Komatsu WA180PT-3L FIG NO. J9-A БЛОКИР. ШАНГА И КРЫШКА(GROUND ПРИВОДN РУЛЕВ. УПРАВЛЕНИЕ) ПЕРЕДН. РАМА

Схема запчастей Komatsu WA180PT-3L - FIG NO. J9-A БЛОКИР. ШАНГА И КРЫШКА(GROUND ПРИВОДN РУЛЕВ. УПРАВЛЕНИЕ) ПЕРЕДН. РАМА
8
9
1
6
5
7
8
2
2
4
3
FIT
1:1
100%

Артикул

Название

Примечание

Количество

1

417-46-24110

BAR

1шт.

2

416-46-12230

PIN

2шт.

3

04050-18055

PIN

1шт.

4

415-46-11360

PIN, SNAP

1шт.

5

417-46-11310

COVER

1шт.

6

01435-01225

BOLT

4шт.

7

417-46-24120

COVER

1шт.

8

01435-01225

BOLT

4шт.

9

417-875-2570

COVER

1шт.

Выбрано товаров: 9