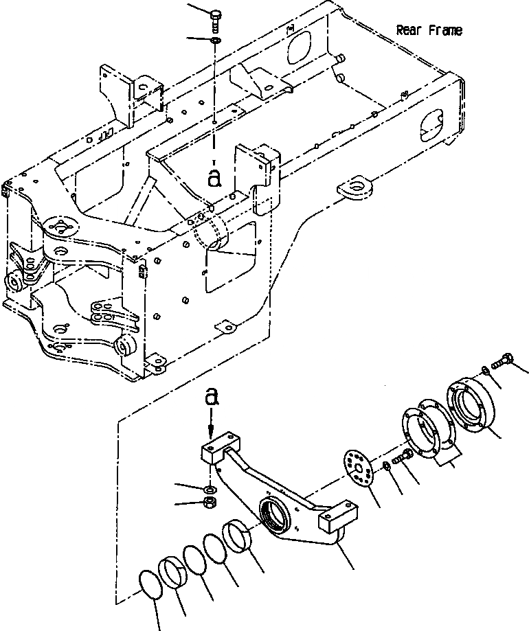
Запчасти Komatsu WA180PT-3L FIG NO. J-A ЗАДН. МОСТ СУППОРТ ПЕРЕДН. РАМА

Схема запчастей Komatsu WA180PT-3L - FIG NO. J-A ЗАДН. МОСТ СУППОРТ ПЕРЕДН. РАМА
13
14
7
8
10
9
14
5
6
15
4
1
2
3
12
11
12
FIT
1:1
100%

Артикул

Название

Примечание

Количество

1

417-46-27150

SUPPORT

1шт.

2

416-46-12160

BUSHING

1шт.

3

07000-16150

O-RING

1шт.

4

416-46-12152

PLATE, THRUST

1шт.

5

01010-61250

BOLT

8шт.

6

01643-31232

WASHER

8шт.

7

01010-61255

BOLT

8шт.

8

01643-31232

WASHER

8шт.

9

416-46-12170

SHIM, 0.2MM

3шт.

10

416-46-12142

COVER

1шт.

11

416-46-12160

BUSHING

1шт.

12

07000-16150

O-RING

2шт.

13

01011-62030

BOLT

4шт.

14

01643-32060

WASHER

8шт.

15

01580-02016

NUT

4шт.

Выбрано товаров: 15