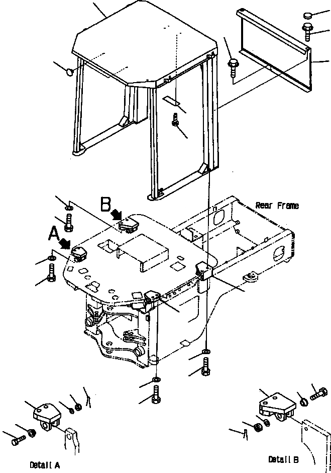
Запчасти Komatsu WA180PT-3L FIG NO. K-A НАВЕС, ROPS КАБИНА ОПЕРАТОРА И СИСТЕМА УПРАВЛЕНИЯ

Схема запчастей Komatsu WA180PT-3L - FIG NO. K-A НАВЕС, ROPS КАБИНА ОПЕРАТОРА И СИСТЕМА УПРАВЛЕНИЯ
2
20
18
19
1
17
15
16
5
8
5
10
4
14
9
12
13
5
11
7
3
11
13
12
14
10
6
5
3
4
FIT
1:1
100%

Артикул

Название

Примечание

Количество

|$0

417-921-2020

ROPS CANOPY ASSEMBLY

1шт.

1

421-54-22990

PLUG

12шт.

2

NSS

ROPS CANOPY

1шт.

3

01010-62095

BOLT

4шт.

4

01011-62025

BOLT

4шт.

5

01643-32060

WASHER

8шт.

6

417-928-2152

BRACKET, LEFT HAND

1шт.

7

417-928-2171

BRACKET, RIGHT HAND

1шт.

8

417-928-A120

BRACKET, LEFT HAND

1шт.

9

417-928-A110

BRACKET, RIGHT HAND

1шт.

10

01013-52425

BOLT

4шт.

11

01643-32460

WASHER

4шт.

12

417-928-2160

COLLAR

4шт.

13

01590-32427

NUT

4шт.

14

04050-15045

PIN

4шт.

|$15

421-W70-2020

PLATE

1шт.

15

NSS

PLATE, NAME

1шт.

16

NSS

SCREW

4шт.

17

417-921-2470

GUARD, REAR

1шт.

18

01435-01225

BOLT

1шт.

19

01435-01220

BOLT

2шт.

20

09415-02512

CAP

2шт.

Выбрано товаров: 22