Запчасти Komatsu WA180PT-3L FIG NO. K7-7A КОНДИЦ. ВОЗДУХА КОНДЕНСАТОР ASSEMBLY КАБИНА ОПЕРАТОРА И СИСТЕМА УПРАВЛЕНИЯ

Схема запчастей Komatsu WA180PT-3L - FIG NO. K7-7A КОНДИЦ. ВОЗДУХА КОНДЕНСАТОР ASSEMBLY КАБИНА ОПЕРАТОРА И СИСТЕМА УПРАВЛЕНИЯ
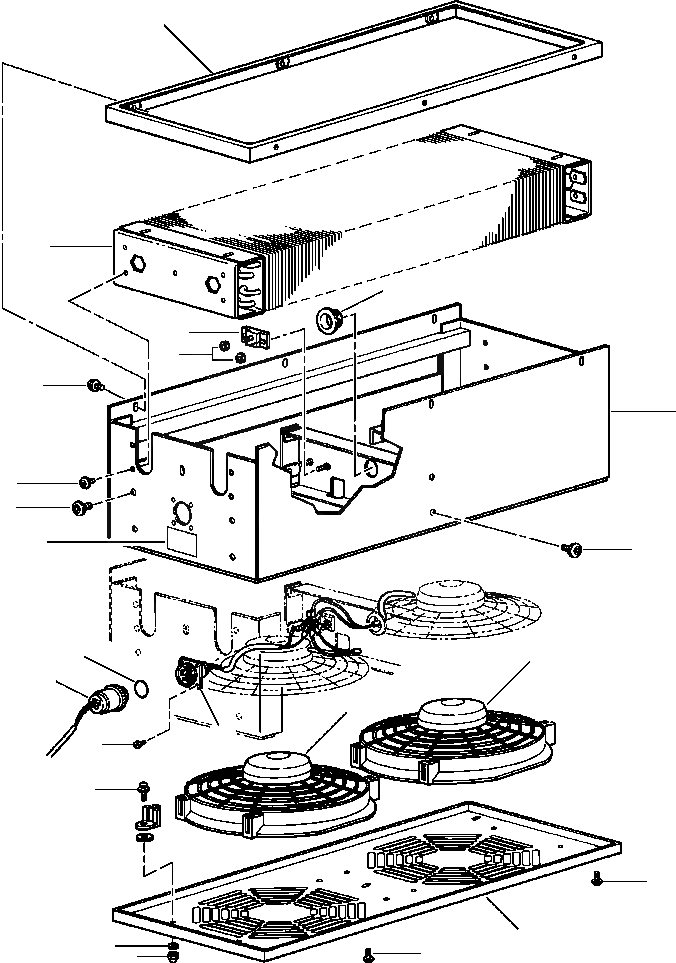
1
2
7
8
11
6
5
6
4
12
6
13
16
17
16
15
14
18
4
3
9
4
10
FIT
1:1
100%

Артикул

Название

Примечание

Количество

|$0

417-963-A340

CONDENSER ASSEMBLY

1шт.

1

416-963-A320

SCREEN

1шт.

2

416-963-A310

COIL ASSEMBLY

1шт.

3

416-963-A410

TOP

1шт.

4

416-942-A060

SCREW, 5/16 X 1/2 - TRUSS TORX

18шт.

5

416-963-A330

HOUSING

1шт.

6

418-T42-A470

SCREW, 1/4-20 X 1/2 - TORX / WHIZLOCK

17шт.

7

425-963-A990

GROMMET, RUBBER - 7/8

1шт.

8

416-963-A340

BLOCK, TERMINAL STUD - #10-32

1шт.

9

174 916

WASHER, 1/4 - LOCK (TOOTH)

8шт.

10

131 420

NUT, 1/4-20 - ACORN

8шт.

11

416-942-A150

NUT, #10-32 - KEP

3шт.

12

1300 160 H1

DECAL, 24 VOLT

1шт.

13

416-963-A360

SEAL

1шт.

14

416-963-A370

SCREW, #6-32 X 1/2 - SLOTTED

4шт.

15

416-963-A380

HARNESS, INTERNAL

1шт.

16

416-963-A390

FAN, 9 IN PUSHER - 10 BLADE - 24 VOLT

2шт.

17

HARNESS, EXTERNAL (SEE PG K-062)

-29шт.

18

425-963-A730

SCREW, 1/4-20 X 3/4 - WHIZLOCK

8шт.

Выбрано товаров: 19