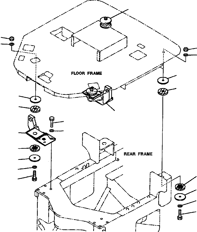
Запчасти Komatsu WA180PT-3L FIG NO. K-A СУППОРТЫ КАБИНЫС ROPS КАБИНА ОПЕРАТОРА И СИСТЕМА УПРАВЛЕНИЯ

Схема запчастей Komatsu WA180PT-3L - FIG NO. K-A СУППОРТЫ КАБИНЫС ROPS КАБИНА ОПЕРАТОРА И СИСТЕМА УПРАВЛЕНИЯ
6
9
8
9
8
6
5
6
5
3
4
2
5
6
8
5
7
1
6
8
7
FIT
1:1
100%

Артикул

Название

Примечание

Количество

1

417-928-2111

SUPPORT, L.H

1шт.

2

417-928-2121

SUPPORT, R.H

1шт.

3

01010-61660

BOLT

8шт.

4

01643-31645

WASHER

8шт.

5

425-54-13160

CUSHION

8шт.

6

419-54-13130

PLATE

8шт.

7

01011-81605

BOLT

4шт.

8

01643-31645

WASHER

8шт.

9

01596-01615

NUT, LOCK

4шт.

Выбрано товаров: 9