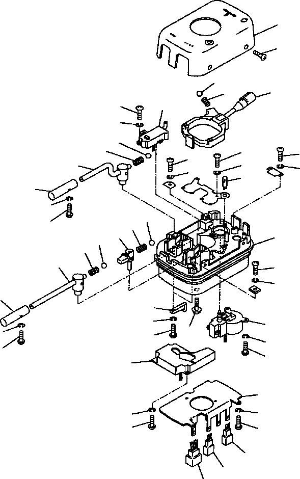
Запчасти Komatsu WA180PT-3L FIG NO. K-A УПРАВЛ-Е ТРАНСМИССИЕЙ ПЕРЕКЛЮЧАТЕЛЬ КАБИНА ОПЕРАТОРА И СИСТЕМА УПРАВЛЕНИЯ

Схема запчастей Komatsu WA180PT-3L - FIG NO. K-A УПРАВЛ-Е ТРАНСМИССИЕЙ ПЕРЕКЛЮЧАТЕЛЬ КАБИНА ОПЕРАТОРА И СИСТЕМА УПРАВЛЕНИЯ
19
20
15
13
14
3
25
27
7
24
6
24
24
27
4
27
27
21
5
26
18
17
22
16
1
11
10
8
24
27
9
12
26
2
28
26
23
27
22
25
1
1
26
27
25
22
16
2
1
FIT
1:1
100%

Артикул

Название

Примечание

Количество

|$0

417-43-26120

SWITCH ASSEMBLY, TRANSMISSION

1шт.

1

417-43-26210

SWITCH, TRANSMISSION

1шт.

2

417-43-26220

SWITCH, LAMP

1шт.

3

417-43-26230

SWITCH, HAZARD

1шт.

|$4

417-43-26240

LEVER ASSEMBLY, F-R

1шт.

4

417-43-26250

LEVER, F-R

1шт.

5

417-43-26280

GRIP

1шт.

6

417-43-26290

SPRING

1шт.

7

417-43-26310

BALL

1шт.

|$9

417-43-26260

LEVER ASSEMBLY, TRANSMISSION

1шт.

8

417-43-26270

LEVER, SPEED

1шт.

9

417-43-26280

GRIP

1шт.

10

417-43-26290

SPRING

1шт.

11

417-43-26310

BALL

1шт.

12

417-43-26320

ARM, MAGNET

2шт.

13

417-43-26330

LEVER ASSEMBLY, LAMP AND TURN SIGNAL

1шт.

14

417-43-26340

SPRING

1шт.

15

417-43-26350

BALL

1шт.

16

417-43-26360

KNOB ASSEMBLY, LOCK

1шт.

17

417-43-26370

SPRING

1шт.

18

417-43-26380

BALL

1шт.

19

417-43-26390

COVER

1шт.

20

417-43-26410

SCREW

4шт.

21

7815-11-1010

BULB, 1.4W

1шт.

22

01220-40308

SCREW

6шт.

23

01220-40312

SCREW

2шт.

24

01220-40408

SCREW

10шт.

25

01220-40412

SCREW

11шт.

26

01601-20307

WASHER, SPRING

8шт.

27

01601-20410

WASHER, SPRING

21шт.

28

01435-00616

BOLT

3шт.

Выбрано товаров: 31