Запчасти Komatsu WA180PT-3L FIG NO. K-A УПРАВЛ-Е ТОРМОЗОМ (ТРАНСМИССИЯ И РЕЗЕРВН. БАК ЛИНИЯ) КАБИНА ОПЕРАТОРА И СИСТЕМА УПРАВЛЕНИЯ

Схема запчастей Komatsu WA180PT-3L - FIG NO. K-A УПРАВЛ-Е ТОРМОЗОМ (ТРАНСМИССИЯ И РЕЗЕРВН. БАК ЛИНИЯ) КАБИНА ОПЕРАТОРА И СИСТЕМА УПРАВЛЕНИЯ
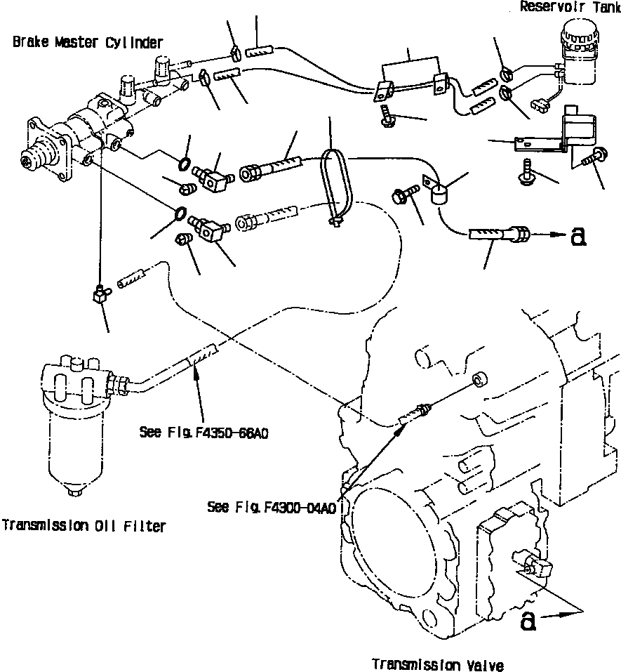
4
1
9
5
7
16
8
3
2
7
6
9
8
1
1
1
14
14
10
12
11
15
13
FIT
1:1
100%

Артикул

Название

Примечание

Количество

1

07281-00197

CLAMP

4шт.

2

01435-00816

BOLT

1шт.

3

01435-01020

BOLT

2шт.

4

391-62-19240

CLIP

2шт.

5

01435-01020

BOLT

2шт.

6

07235-50628

ELBOW

1шт.

7

07002-12434

O-RING

2шт.

8

07042-20108

PLUG

2шт.

9

07102-20607

HOSE, RETURN

1шт.

10

08034-20519

BAND

1шт.

11

08036-23014

CLIP

1шт.

12

01435-01020

BOLT

1шт.

13

417-43-17640

ELBOW

1шт.

14

07260-20980

HOSE

2шт.

15

417-43-27340

BRACKET

1шт.

16

209-62-14550

ELBOW

1шт.

Выбрано товаров: 16