Запчасти Komatsu WA180PT-3L FIG NO. K-A УПРАВЛЕНИЕ ПОГРУЗКОЙ (МЕХ-М УПРАВЛ-Я) КАБИНА ОПЕРАТОРА И СИСТЕМА УПРАВЛЕНИЯ

Схема запчастей Komatsu WA180PT-3L - FIG NO. K-A УПРАВЛЕНИЕ ПОГРУЗКОЙ (МЕХ-М УПРАВЛ-Я) КАБИНА ОПЕРАТОРА И СИСТЕМА УПРАВЛЕНИЯ
7
11
6
2
6
9
3
1
9
8
7
4
25
26
10
24
10
5
13
23
27
11
13
12
28
16
17
15
16
22
14
19
21
19
18
20
18
20
FIT
1:1
100%

Артикул

Название

Примечание

Количество

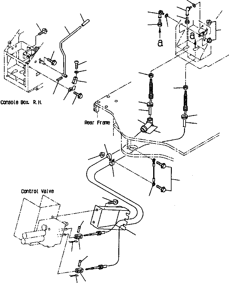
1

417-43-28160

LEVER

1шт.

2

417-43-28270

CAP

1шт.

3

01435-01016

BOLT

1шт.

4

01435-01025

BOLT

2шт.

5

04025-00520

PIN

1шт.

6

04256-51025

JOINT,BALL

2шт.

7

01643-31032

WASHER

2шт.

8

01595-01008

NUT

2шт.

9

417-43-28220

JOINT

2шт.

10

01508-41006

NUT

2шт.

11

417-43-28170

CABLE

2шт.

12

423-54-12740

INSULATOR

1шт.

13

417-43-28280

GROMMET

2шт.

14

421-54-11581

CABLE

1шт.

15

01435-01020

BOLT

2шт.

16

423-06-12640

CLIP

2шт.

17

01584-01008

NUT

1шт.

18

22D-43-14210

YOKE

2шт.

19

04205-10822

PIN

2шт.

20

04052-10833

PIN

2шт.

21

417-43-28180

PLATE

1шт.

22

01435-01225

BOLT

2шт.

23

417-43-28250

PLATE

1шт.

24

08052-01311

CLIP

1шт.

25

01220-40610

SCREW

1шт.

26

01641-20608

WASHER

1шт.

27

01435-00812

BOLT

1шт.

28

08034-20519

BAND

2шт.

Выбрано товаров: 28