Качественные детали и логистика
Оригинальные и аналоговые запчасти с доставкой по России, Казахстану и Беларуси
©2022 PartSell ООО "Система" ИНН 2463123282 ОГРН 1212400004838
Центральный офис: г. Красноярск, Академика Киренского, д.87, пом.4
Телефон: 8 (800) 777-65-74 Email: zakaz@partsell.ru
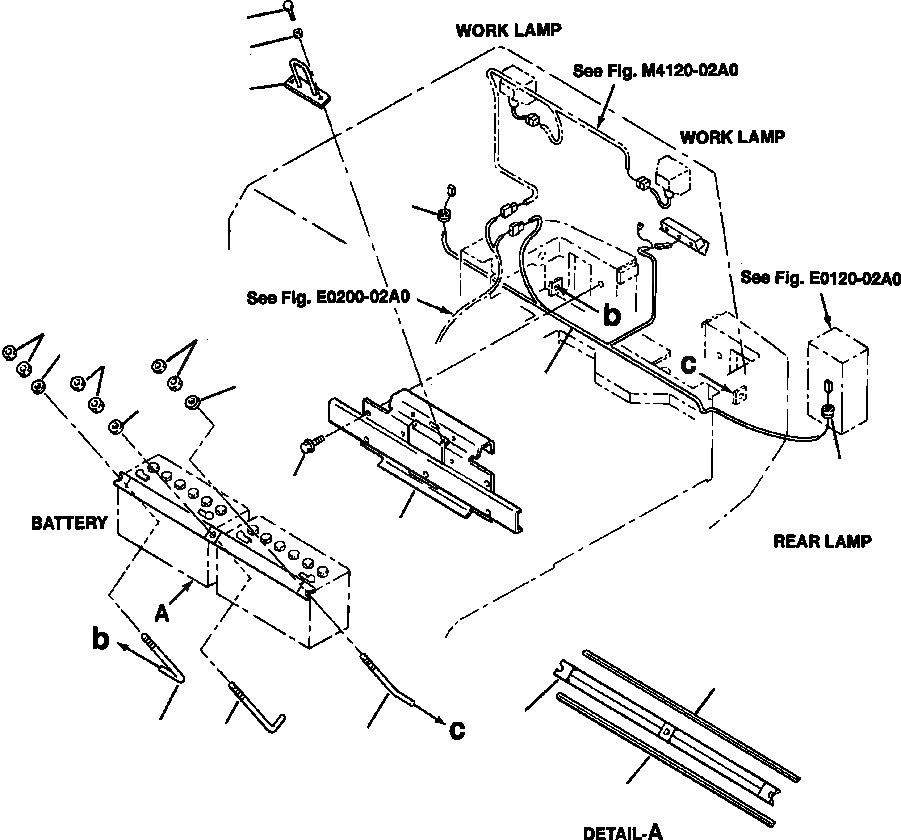
FIG NO. E-A КОРПУС АККУМУЛЯТОРА (КОРПУС)
№
Артикул
Название
Примечание
Количество
1
416-06-A1280
BRACKET
1шт.
2
01435-01016
BOLT
4шт.
3
416-06-A1100
HOLDER
4
418-06-22170
FINISHER
2шт.
5
417-06-11123
ROD
3шт.
6
01580-10806
NUT
6шт.
7
01643-30823
WASHER
8
417-06-22290
WIRING HARNESS
9
08037-03614
GROMMET
10
417-54-21191
STRIKER
11
01435-00820
12
01643-31032
Выбрано товаров: 0