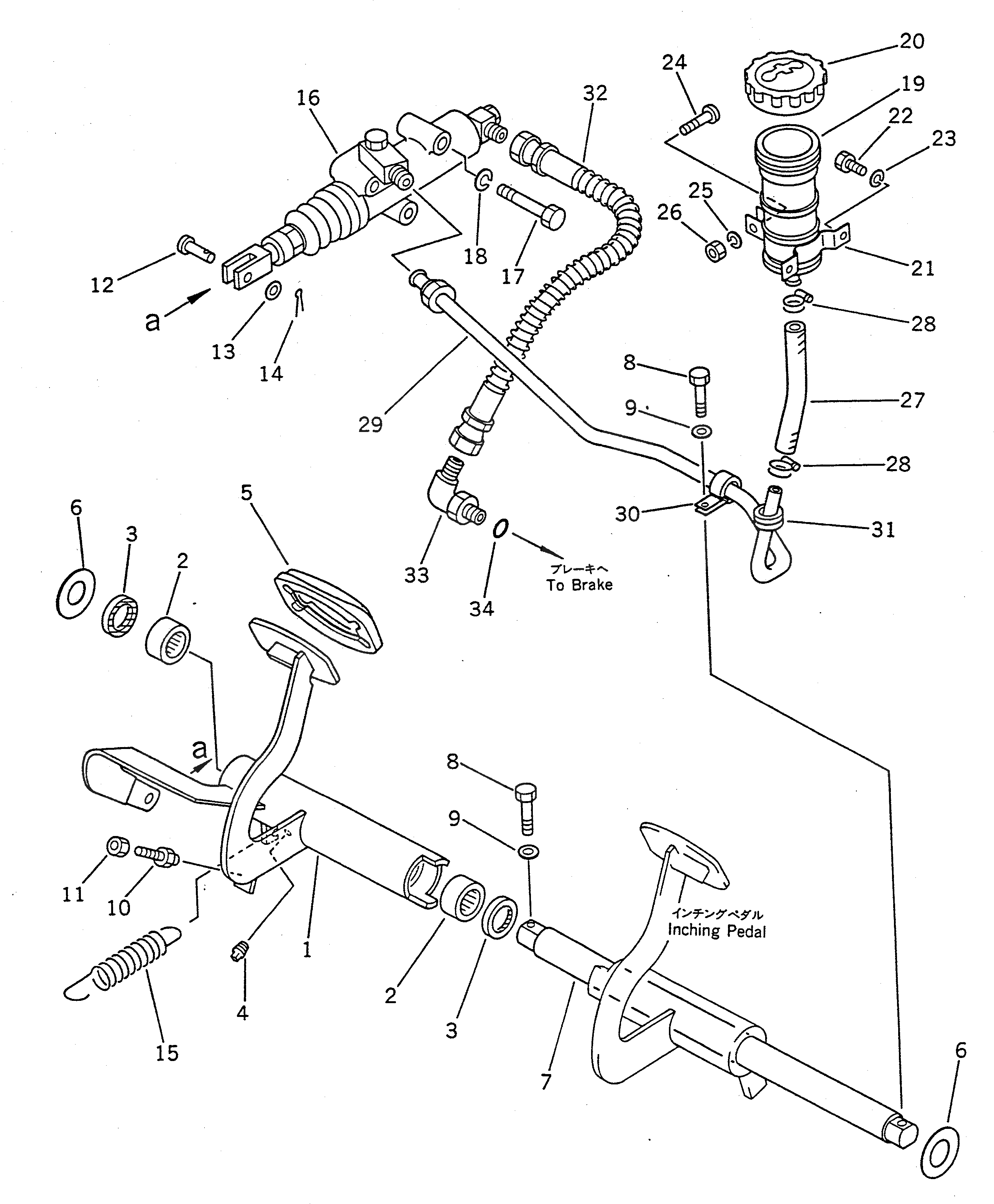
Запчасти Komatsu WA20-1 ПЕДАЛЬ ТОРМОЗА И ТРУБЫ ВЕДУЩ. ВАЛ¤ ДИФФЕРЕНЦ. И КОЛЕСА

Схема запчастей Komatsu WA20-1 - ПЕДАЛЬ ТОРМОЗА И ТРУБЫ ВЕДУЩ. ВАЛ¤ ДИФФЕРЕНЦ. И КОЛЕСА
FIT
1:1
100%

Артикул

Название

Примечание

Количество

1

361-43-12111

PEDAL

SN: 2274-UP

1шт.

1

361-43-12110

PEDAL

SN: 1001-2273

1шт.

2

06120-03020

BEARING,NEEDLE

SN: 1001-UP

2шт.

3

06122-03004

SEAL,BEARING

SN: 1001-UP

2шт.

4

07042-00108

PLUG

SN: 1001-UP

1шт.

5

22W-43-11510

PAD

SN: 1001-UP

1шт.

6

130-814-5250

COLLAR

SN: 1001-UP

2шт.

7

361-43-12130

SHAFT

SN: 1001-UP

1шт.

8

01010-51240

BOLT

SN: 1001-UP

2шт.

9

01643-31232

WASHER

SN: 1001-UP

2шт.

10

09311-41237

BUMPER

SN: 1498-UP

1шт.

10

0

BUMPER

SN: 1001-1497

1шт.

11

01580-11210

NUT

SN: 1001-UP

1шт.

12

04205-11030

PIN

SN: 1001-UP

1шт.

13

01641-21016

WASHER

SN: 1001-UP

1шт.

14

04050-13015

PIN,COTTER

SN: 1001-UP

1шт.

15

10E-43-12660

SPRING

SN: 1001-UP

1шт.

16

21E-43-17180

MASTER CYLINDER A.

SN: 2191-UP

1шт.

16

0

MASTER CYLINDER A.

SN: 1001-2190

1шт.

17

01010-51060

BOLT

SN: 1001-UP

3шт.

18

01602-21030

WASHER,SPRING

SN: 1001-UP

3шт.

|$21

22W-43-12200

OIL TANK ASS'Y

SN: 1001-UP

1шт.

19

20B-43-16210

TANK

SN: 1001-UP

1шт.

20

20B-43-16230

CAP

SN: 1001-UP

1шт.

21

23S-43-26240

BRACKET

SN: 2501-UP

1шт.

21

20B-43-16240

BRACKET

SN: 1001-2500

1шт.

22

01010-50816

BOLT

SN: 1001-UP

2шт.

23

01602-20825

WASHER,SPRING

SN: 1001-UP

2шт.

24

01220-40530

SCREW

SN: 1001-UP

1шт.

25

01601-20513

WASHER,SPRING

SN: 1001-UP

1шт.

26

01580-10504

NUT

SN: 1001-UP

1шт.

27

07270-21009

TUBE

SN: 1001-UP

1шт.

28

07281-00137

CLAMP

SN: 1001-UP

2шт.

29

361-43-17110

TUBE

SN: 1001-UP

1шт.

30

144-874-6970

CLIP

SN: 1001-UP

1шт.

31

08037-01008

GROMMET

SN: 1001-UP

1шт.

32

07109-20304

HOSE

SN: 1001-UP

1шт.

33

07235-10315

ELBOW

SN: 1001-UP

1шт.

34

07002-12034

O-RING

SN: 1001-UP

1шт.

Выбрано товаров: 39