Запчасти Komatsu WA20-2 ОСНОВН. КОНСТРУКЦИЯ (БЕЗ НАВЕС И КАБИНА)(№7-) КАБИНА ОПЕРАТОРА И СИСТЕМА УПРАВЛЕНИЯ

Схема запчастей Komatsu WA20-2 - ОСНОВН. КОНСТРУКЦИЯ (БЕЗ НАВЕС И КАБИНА)(№7-) КАБИНА ОПЕРАТОРА И СИСТЕМА УПРАВЛЕНИЯ
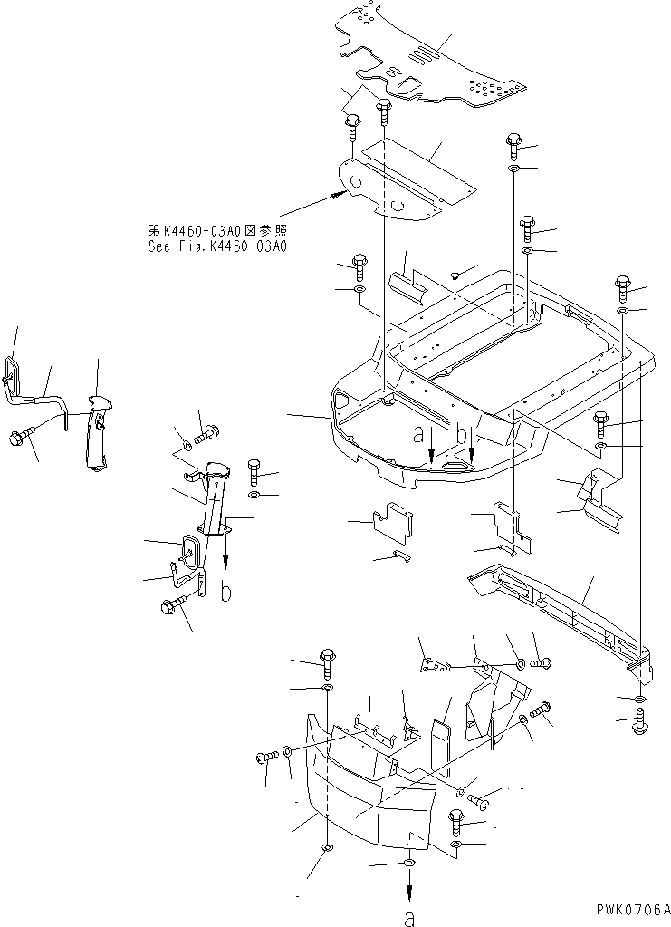
1
2
3
4
5
6
7
7
8
8
9
10
11
11
12
12
13
14
15
16
17
18
19
20
21
22
23
24
25
26
27
28
29
29
30
30
31
31
32
33
34
34
35
35
36
37
38
39
40
41
42
43
44
44
45
45
46
FIT
1:1
100%

Артикул

Название

Примечание

Количество

1

361-54-22111

FRAME,FLOOR

SN: 12318-UP

1шт.

|1

361-54-22110

FRAME,FLOOR

SN: 10001-12317

1шт.

2

01435-01030

BOLT

SN: 10001-UP

4шт.

3

01643-31032

WASHER

SN: 10001-UP

4шт.

4

363-54-32120

GUARD

SN: 10001-UP

1шт.

5

01435-01035

BOLT

SN: 10001-UP

2шт.

6

01435-01055

BOLT

SN: 10001-UP

2шт.

7

417-43-16210

WASHER

SN: 10001-UP

4шт.

8

01643-31445

WASHER

SN: 10001-UP

4шт.

9

363-54-32130

COVER

SN: 10001-UP

1шт.

10

363-54-32520

SHEET

SN: 10001-UP

1шт.

11

01220-70612

SCREW

SN: 10001-UP

4шт.

12

01642-40608

WASHER

SN: 10001-UP

4шт.

13

363-54-32191

BRACKET,L.H.

SN: 10001-UP

1шт.

14

363-54-32340

BRACKET,R.H.

SN: 10001-UP

1шт.

15

01220-70616

SCREW

SN: 10001-UP

4шт.

16

01642-40608

WASHER

SN: 10001-UP

4шт.

17

363-54-32271

PLATE

SN: 10001-UP

1шт.

18

01023-20614

SCREW

SN: 12177-UP

2шт.

|18

01220-70612

SCREW

SN: 10001-12176

2шт.

19

01642-40608

WASHER

SN: 10001-12176

2шт.

20

363-54-32170

PLATE

SN: 10001-UP

1шт.

21

01435-01040

BOLT

SN: 10001-UP

6шт.

22

363-54-32280

MAT,FLOOR

SN: 10001-UP

1шт.

23

363-54-32220

PLUG

SN: 10001-UP

4шт.

24

363-54-32320

GRILLE

SN: 10001-UP

1шт.

25

01435-00825

BOLT

SN: 10001-UP

4шт.

26

01643-31032

WASHER

SN: 10001-UP

4шт.

27

361-54-24221

SHEET,L.H.

SN: 10001-UP

1шт.

28

361-54-24221

SHEET,R.H.

SN: 11101-UP

1шт.

29

363-54-34260

PLATE

SN: 10001-UP

2шт.

30

01435-00820

BOLT

SN: 10001-UP

4шт.

31

01643-31032

WASHER

SN: 10001-UP

4шт.

32

363-54-34240

COVER,L.H.

SN: 10001-UP

1шт.

33

363-54-34250

COVER,R.H.

SN: 10001-UP

1шт.

34

01435-00820

BOLT

SN: 10001-UP

4шт.

35

01643-31032

WASHER

SN: 10001-UP

4шт.

36

363-54-38442

BRACKET,L.H.

SN: 11272-UP

1шт.

37

363-54-38452

BRACKET,R.H.

SN: 11272-UP

1шт.

38

01010-51255

BOLT

SN: 10001-UP

6шт.

39

01643-31232

WASHER

SN: 10001-UP

6шт.

40

01435-01025

BOLT

SN: 10001-UP

4шт.

41

01643-31032

WASHER

SN: 10001-UP

4шт.

42

363-54-38512

STAY,L.H.

SN: 11272-UP

1шт.

43

363-54-38522

STAY,R.H.

SN: 11272-UP

1шт.

44

01435-01030

BOLT

SN: 11272-UP

4шт.

45

363-57-26110

MIRROR,REAR VIEW

SN: 10001-UP

2шт.

46

361-01-23130

PLATE

SN: 10001-UP

1шт.

Выбрано товаров: 48