Запчасти Komatsu WA200-1 КОНСОЛЬН. БЛОК (С КОНДИЦИОНЕРОМ И ОБОГРЕВАТЕЛЬ.)(№-9999) РАМА И ЧАСТИ КОРПУСА

Схема запчастей Komatsu WA200-1 - КОНСОЛЬН. БЛОК (С КОНДИЦИОНЕРОМ И ОБОГРЕВАТЕЛЬ.)(№-9999) РАМА И ЧАСТИ КОРПУСА
FIT
1:1
100%

Артикул

Название

Примечание

Количество

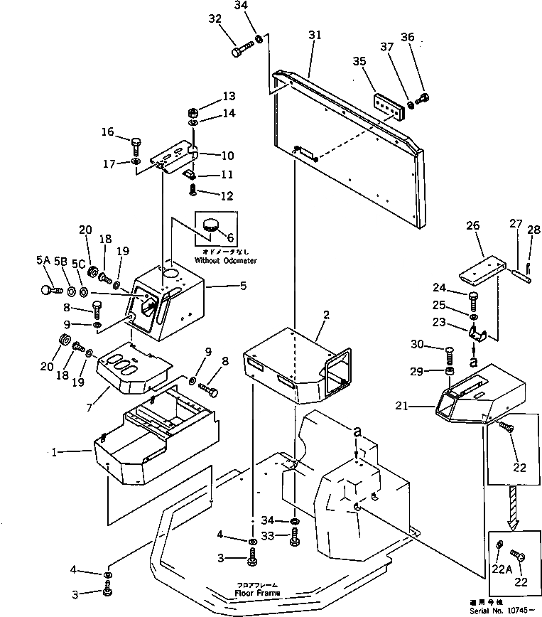
1

419-54-12642

BOX

SN: 10001-19999

1шт.

2

419-54-12243

BOX

SN: 10001-19999

1шт.

3

01010-51225

BOLT

SN: 10001-@

8шт.

4

01643-31232

WASHER

SN: 10001-@

8шт.

5

419-54-12652

BOX

SN: 10001-19999

1шт.

5A

425-54-12960

SCREW

SN: 10001-@

1шт.

5B

01642-20608

WASHER

SN: 10001-@

1шт.

5C

01643-30623

WASHER

SN: 10001-@

1шт.

6

419-54-12280

COVER,(WITHOUT ODOMETER)

SN: 10001-@

1шт.

7

418-54-12261

COVER

SN: 10001-19999

1шт.

8

01010-50816

BOLT

SN: 10001-@

5шт.

9

01643-30823

WASHER

SN: 10001-@

5шт.

10

419-54-12682

BRACKET

SN: 10001-@

1шт.

11

09452-06506

CATCHER

SN: 10001-@

1шт.

12

01224-40412

SCREW

SN: 10001-@

2шт.

13

01580-10403

NUT

SN: 10001-@

2шт.

14

01601-20410

WASHER,SPRING

SN: 10001-@

2шт.

16

01010-50616

BOLT

SN: 10001-@

4шт.

17

01643-30623

WASHER

SN: 10001-@

4шт.

18

01220-40612

SCREW

SN: 10001-19999

2шт.

19

01643-30623

WASHER

SN: 10001-19999

2шт.

20

09415-01008

CAP

SN: 10001-19999

2шт.

21

425-54-12671

COVER

SN: 10745-@

1шт.

21

0

COVER

SN: 10001-10744

1шт.

|$$25

(425-54-12671,423-54-12830(4),

-1шт.

|$$26

423-54-12840(4))

-1шт.

22

423-54-12830

SCREW

SN: 10745-@

4шт.

22

0

SCREW

SN: 10217-10744

4шт.

22

0

SCREW

SN: 10001-10216

4шт.

22A

423-54-12840

WASHER

SN: 10745-@

4шт.

23

425-54-12520

PLATE

SN: 10001-@

1шт.

24

01010-51020

BOLT

SN: 10001-@

2шт.

25

01643-31032

WASHER

SN: 10001-@

2шт.

26

425-54-12510

BRACKET

SN: 10001-@

1шт.

27

425-54-12530

SHAFT

SN: 10001-@

1шт.

28

04050-13018

PIN,COTTER

SN: 10001-@

2шт.

29

425-54-12590

STOPPER

SN: 10001-@

2шт.

30

01220-30420

SCREW

SN: 10001-@

2шт.

31

418-54-12231

COVER

SN: 10001-@

1шт.

32

01010-51240

BOLT

SN: 10001-@

3шт.

33

01010-51225

BOLT

SN: 10001-@

3шт.

34

01643-31232

WASHER

SN: 10001-@

6шт.

35

418-54-12140

PLATE

SN: 10001-@

1шт.

36

01010-51235

BOLT

SN: 10001-@

2шт.

37

01643-31232

WASHER

SN: 10001-@

2шт.

Выбрано товаров: 45