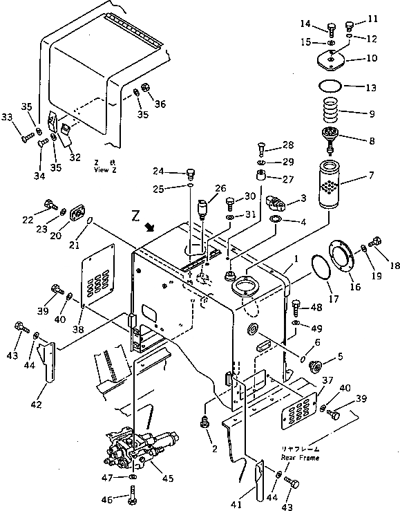
Запчасти Komatsu WA200-1 ГИДР. БАК.(№-) УПРАВЛ-Е РАБОЧИМ ОБОРУДОВАНИЕМ

Схема запчастей Komatsu WA200-1 - ГИДР. БАК.(№-) УПРАВЛ-Е РАБОЧИМ ОБОРУДОВАНИЕМ
FIT
1:1
100%

Артикул

Название

Примечание

Количество

1

418-60-15115

TANK

SN: 20001-UP

1шт.

2

424-01-11110

PLUG

SN: 10001-UP

1шт.

3

07092-01000

CAP

SN: 10001-UP

1шт.

4

07051-00003

GASKET

SN: 10001-UP

1шт.

5

421-60-11622

GAUGE,SIGHT

SN: .-UP

1шт.

5

0

GAUGE,SIGHT

SN: 20001-.

1шт.

6

07002-05234

O-RING

SN: 10001-UP

1шт.

7

154-60-12170

ELEMENT

SN: 10001-UP

1шт.

8

417-60-15130

VALVE ASS'Y

SN: 10001-UP

1шт.

9

125-62-21170

SPRING

SN: 10001-UP

1шт.

10

417-60-15120

COVER

SN: 10001-UP

1шт.

11

424-60-15150

PLUG

SN: 10001-UP

1шт.

12

07000-02010

O-RING

SN: 10001-UP

1шт.

13

07000-12115

O-RING

SN: 10001-UP

1шт.

14

01010-51230

BOLT

SN: 10001-UP

2шт.

15

01643-31232

WASHER

SN: 10001-UP

2шт.

16

421-60-11121

COVER

SN: 10001-UP

1шт.

17

07000-05200

O-RING

SN: 10216-UP

1шт.

18

01435-01020

BOLT

SN: .-UP

6шт.

18

01010-51025

BOLT

SN: 10001-.

6шт.

19

01643-31032

WASHER

SN: 10001-.

6шт.

20

419-60-15220

PLATE

SN: 20069-UP

1шт.

20

0

PLATE

SN: 10001-20068

1шт.

21

07000-03042

O-RING

SN: 10001-UP

1шт.

22

01435-01025

BOLT

SN: .-UP

4шт.

22

01010-51030

BOLT

SN: 10001-.

4шт.

23

01643-31032

WASHER

SN: 10001-.

4шт.

24

07040-10807

PLUG

SN: 10001-UP

1шт.

25

07002-00823

O-RING

SN: 10001-UP

1шт.

26

419-60-15231

BREATHER ASS'Y

SN: 20441-UP

1шт.

26

0

BREATHER ASS'Y

SN: 20001-20440

1шт.

26

285-62-17320

ELEMENT

SN: 20441-UP

1шт.

26

419-60-15250

ELEMENT

SN: 20001-20440

1шт.

26

419-60-15370

O-RING

SN: 20441-UP

1шт.

26

419-60-15270

O-RING

SN: 20001-20440

1шт.

26

419-60-15380

O-RING

SN: 20441-UP

1шт.

26

419-60-15390

O-RING

SN: 20441-UP

1шт.

26

424-60-15220

RING,SNAP

SN: 20441-UP

1шт.

27

418-60-15150

STOPPER

SN: 10001-UP

1шт.

28

01220-40640

SCREW

SN: 10001-UP

1шт.

29

01602-20619

WASHER,SPRING

SN: 10001-UP

1шт.

30

01010-51625

BOLT

SN: 10001-UP

1шт.

31

01643-31645

WASHER

SN: 10001-UP

1шт.

32

421-09-12320

HOLDER

SN: 10001-UP

1шт.

33

01220-40412

SCREW

SN: 10001-UP

3шт.

34

01220-40406

SCREW

SN: 10001-UP

2шт.

35

01601-20410

WASHER,SPRING

SN: 10001-UP

8шт.

36

01580-10403

NUT

SN: 10001-UP

3шт.

37

418-60-15182

PLATE

SN: 20001-UP

1шт.

38

418-60-15172

COVER

SN: 20001-UP

1шт.

39

01435-01220

BOLT

SN: .-UP

6шт.

39

01010-51225

BOLT

SN: 10001-.

6шт.

40

01643-31232

WASHER

SN: 10001-.

6шт.

41

418-60-15191

COVER,L.H.

SN: 10241-29999

1шт.

42

418-60-15211

COVER,R.H.

SN: 10241-29999

1шт.

43

01435-00814

BOLT

SN: .-UP

4шт.

43

01010-50816

BOLT

SN: 10001-.

4шт.

44

01643-30823

WASHER

SN: 10001-.

4шт.

45

700-82-32003

VALVE ASS'Y,2-SPOOL

SN: 20219-UP

1шт.

45

0

VALVE ASS'Y,2-SPOOL

SN: 10001-20218

1шт.

46

01010-31230

BOLT

SN: 10001-UP

4шт.

47

01643-51232

WASHER

SN: 10001-UP

4шт.

48

01010-51640

BOLT

SN: 10001-UP

6шт.

49

01643-31645

WASHER

SN: 10001-UP

6шт.

Выбрано товаров: 64