Запчасти Komatsu WA200-1 ГИДР. БАК. (TBG/ABE СПЕЦ-Я.)(№-9999) СПЕЦ. APPLICATION ЧАСТИ

Схема запчастей Komatsu WA200-1 - ГИДР. БАК. (TBG/ABE СПЕЦ-Я.)(№-9999) СПЕЦ. APPLICATION ЧАСТИ
FIT
1:1
100%

Артикул

Название

Примечание

Количество

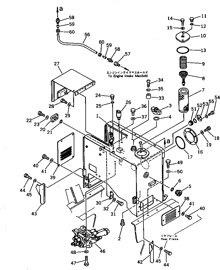
1

418-60-15311

TANK

SN: 10001-19999

1шт.

2

424-01-11110

PLUG

SN: 10001-19999

1шт.

3

07092-01000

CAP

SN: 10001-19999

1шт.

4

07051-00003

GASKET

SN: 10001-19999

1шт.

5

421-60-11620

GAUGE,SIGHT

SN: 10001-19999

1шт.

6

07002-05234

O-RING

SN: 10001-19999

1шт.

7

154-60-12170

ELEMENT

SN: 10001-19999

1шт.

8

417-60-15130

VALVE ASS'Y

SN: 10001-19999

1шт.

9

125-62-21170

SPRING

SN: 10001-19999

1шт.

10

417-60-15120

COVER

SN: 10001-19999

1шт.

11

424-60-15150

PLUG

SN: 10001-19999

1шт.

12

07000-02010

O-RING

SN: 10001-19999

1шт.

13

07000-12115

O-RING

SN: 10001-19999

1шт.

14

01010-51230

BOLT

SN: 10001-19999

2шт.

15

01643-31232

WASHER

SN: 10001-19999

2шт.

16

421-60-11121

COVER

SN: 10001-19999

1шт.

17

07000-05200

O-RING

SN: 10001-19999

1шт.

18

01010-51025

BOLT

SN: 10001-19999

6шт.

19

01643-31032

WASHER

SN: 10001-19999

6шт.

20

154-60-21280

PLATE

SN: 10001-19999

1шт.

21

07000-03042

O-RING

SN: 10001-19999

1шт.

22

01010-51030

BOLT

SN: 10001-19999

4шт.

23

01643-31032

WASHER

SN: 10001-19999

4шт.

24

07040-10807

PLUG

SN: 10001-19999

1шт.

25

07002-00823

O-RING

SN: 10001-19999

1шт.

26

424-60-15211

BREATHER ASS'Y

SN: 10001-19999

1шт.

26

285-62-17320

ELEMENT

SN: 10001-19999

1шт.

26

424-60-15220

RING,SNAP

SN: 10001-19999

1шт.

27

418-60-15131

COVER

SN: 10001-19999

1шт.

27

421-54-11362

LOCK ASS'Y

SN: 10001-19999

1шт.

28

01010-50820

BOLT

SN: 10001-19999

3шт.

29

01643-30823

WASHER

SN: 10001-19999

3шт.

30

419-60-15161

PLATE

SN: 10001-19999

1шт.

31

01010-51020

BOLT

SN: 10001-19999

2шт.

32

01643-31032

WASHER

SN: 10001-19999

2шт.

33

418-60-15150

STOPPER

SN: 10001-19999

1шт.

34

01220-40630

SCREW

SN: 10001-19999

1шт.

35

01602-20619

WASHER,SPRING

SN: 10001-19999

1шт.

36

01010-51625

BOLT

SN: 10001-19999

1шт.

37

01643-31645

WASHER

SN: 10001-19999

1шт.

38

418-60-15181

PLATE

SN: 10001-19999

1шт.

39

418-60-15171

COVER

SN: 10001-19999

1шт.

40

01010-51225

BOLT

SN: 10001-19999

6шт.

41

01643-31232

WASHER

SN: 10001-19999

6шт.

42

418-60-15191

COVER,L.H.

SN: 10001-19999

1шт.

43

418-60-15211

COVER,R.H.

SN: 10001-19999

1шт.

44

01010-50816

BOLT

SN: 10001-19999

4шт.

45

01643-30823

WASHER

SN: 10001-19999

4шт.

46

700-82-32001

VALVE ASS'Y,CONTROL

SN: 10001-19999

1шт.

47

01010-31230

BOLT

SN: 10001-19999

4шт.

48

01643-31232

WASHER

SN: 10001-19999

4шт.

49

01010-51640

BOLT

SN: 10001-19999

6шт.

50

01643-31645

WASHER

SN: 10001-19999

6шт.

51

419-60-15210

PLATE

SN: 10001-19999

1шт.

52

07000-02060

O-RING

SN: 10001-19999

1шт.

53

421-875-1560

PLATE

SN: 10001-19999

1шт.

54

01010-50820

BOLT

SN: 10001-19999

5шт.

55

01643-30823

WASHER

SN: 10001-19999

5шт.

56

07822-00409

TUBE

SN: 10001-19999

1шт.

57

424-01-11280

JOINT

SN: 10001-19999

1шт.

58

07836-00410

CONNECTOR

SN: 10001-19999

2шт.

59

07831-00411

SLEEVE

SN: 10001-19999

2шт.

60

07832-00410

NUT,SLEEVE

SN: 10001-19999

2шт.

Выбрано товаров: 63