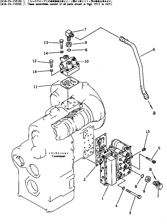
Запчасти Komatsu WA200-1 ГИДРОЛИНИЯ ТРАНСМИССИИ (/)(№-9999) ГИДРОТРАНСФОРМАТОР И ТРАНСМИССИЯ

Схема запчастей Komatsu WA200-1 - ГИДРОЛИНИЯ ТРАНСМИССИИ (/)(№-9999) ГИДРОТРАНСФОРМАТОР И ТРАНСМИССИЯ
FIT
1:1
100%

Артикул

Название

Примечание

Количество

|$0

418-15-11020

TRANSMISSION ASS'Y,(WITHOUT EMERGENCY STEERING)

SN: 10001-19999

1шт.

|$1

418-15-11010

TRANSMISSION ASS'Y,(WITH EMERGENCY STEERING)

SN: 10001-19999

1шт.

1

418-15-11802

CONTROL VALVE ASS'Y

SN: 10579-19999

1шт.

2

419-15-16151

GASKET (K2)

SN: 10001-19999

1шт.

3

01011-31025

BOLT

SN: 10001-19999

11шт.

4

01602-01030

WASHER,SPRING

SN: 10001-19999

11шт.

5

419-15-15170

BOLT

SN: 10001-19999

6шт.

6

419-15-14591

TUBE

SN: 10001-19999

1шт.

7

419-15-14680

ELBOW

SN: 10835-19999

2шт.

8

07002-03334

O-RING (K1)

SN: 10001-19999

2шт.

9

419-15-14690

NUT

SN: 10835-19999

2шт.

10

418-15-17201

REGULATOR VALVE A.

SN: 11001-19999

1шт.

11

419-15-17141

GASKET (K2)

SN: 10001-19999

1шт.

12

01010-31070

BOLT

SN: 10001-19999

4шт.

13

01010-51080

BOLT

SN: 10001-19999

1шт.

14

01602-01030

WASHER,SPRING

SN: 10001-19999

5шт.

15

07042-30108

PLUG

SN: 11001-19999

1шт.

Выбрано товаров: 17