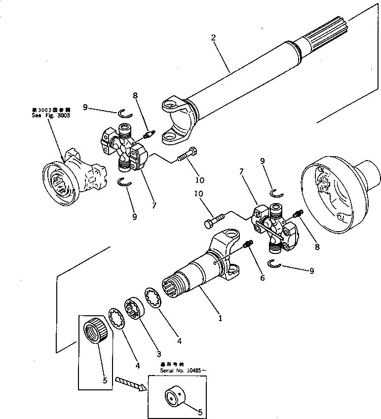
Запчасти Komatsu WA200-1 ВЕДУЩ. ВАЛ (ЦЕНТР.)(№-.) ВЕДУЩ. ВАЛ¤ ДИФФЕРЕНЦ. И КОЛЕСА

Схема запчастей Komatsu WA200-1 - ВЕДУЩ. ВАЛ (ЦЕНТР.)(№-.) ВЕДУЩ. ВАЛ¤ ДИФФЕРЕНЦ. И КОЛЕСА
FIT
1:1
100%

Артикул

Название

Примечание

Количество

|$0

419-20-12113

DRIVE SHAFT ASS'Y,CENTER

SN: 10856-.

1шт.

|$1

0

DRIVE SHAFT ASS'Y,CENTER

SN: 10001-10855

1шт.

|$2

419-20-12651

SHAFT ASS'Y

SN: 10856-.

1шт.

|$3

0

SHAFT ASS'Y

SN: 10001-10855

1шт.

1

0

YOKE

SN: 10001-.

1шт.

2

0

SHAFT

SN: 10001-.

1шт.

3

419-20-12661

SEAL

SN: 10139-.

1шт.

3

0

SEAL

SN: 10001-10138

1шт.

4

419-20-12671

RETAINER

SN: 10139-.

1шт.

4

0

RETAINER

SN: 10001-10138

2шт.

5

419-20-12681

COVER

SN: 10139-.

1шт.

5

0

COVER

SN: 10001-10138

1шт.

6

419-20-12640

FITTING,GREASE

SN: 10001-@

1шт.

7

419-20-12621

SPIDER ASS'Y

SN: 10856-@

2шт.

7

0

SPIDER ASS'Y

SN: 10001-10855

2шт.

8

419-20-12640

FITTING,GREASE

SN: 10001-@

2шт.

9

419-20-12691

RING,SNAP

SN: 10856-@

4шт.

9

0

RING,SNAP

SN: 10001-10855

4шт.

10

01050-61045

BOLT

SN: 10001-@

8шт.

Выбрано товаров: 0