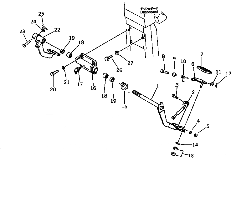
Запчасти Komatsu WA200-1 ПЕДАЛЬ ТОРМОЗА(№-9999) ВЕДУЩ. ВАЛ¤ ДИФФЕРЕНЦ. И КОЛЕСА

Схема запчастей Komatsu WA200-1 - ПЕДАЛЬ ТОРМОЗА(№-9999) ВЕДУЩ. ВАЛ¤ ДИФФЕРЕНЦ. И КОЛЕСА
FIT
1:1
100%

Артикул

Название

Примечание

Количество

1

418-43-17323

SUPPORT

SN: 10905-@

1шт.

1

0

SUPPORT

SN: 10768-10904

1шт.

1

0

SUPPORT

SN: 10001-10767

1шт.

2

419-43-17811

SWITCH,CUT-OFF

SN: 10001-@

1шт.

3

01220-40316

SCREW

SN: 10001-@

2шт.

4

01641-20305

WASHER

SN: 10001-@

2шт.

5

01580-10302

NUT

SN: 10001-@

2шт.

6

419-43-17621

PEDAL,BRAKE, L.H.

SN: 10001-@

1шт.

7

419-43-17711

PAD,PEDAL

SN: 10001-@

2шт.

8

419-43-17650

PIN

SN: 10001-@

1шт.

9

419-43-17640

SPACER

SN: 10001-@

1шт.

10

419-43-17660

SPRING

SN: 10001-@

1шт.

11

01641-20608

WASHER

SN: 10001-@

1шт.

12

04050-11612

PIN,COTTER

SN: 10001-@

1шт.

13

426-09-11130

NUT

SN: 10001-@

1шт.

14

419-43-17760

WASHER

SN: 10001-@

1шт.

15

419-43-17743

SPRING

SN: 10001-@

1шт.

16

419-43-17791

BRACKET

SN: .-@

1шт.

16

0

BRACKET

SN: 10001-.

1шт.

17

07020-00900

FITTING,GREASE

SN: 10001-@

1шт.

18

06120-02520

BEARING,NEEDLE

SN: 10001-@

2шт.

19

06122-02504

SEAL,BEARING

SN: 10001-@

2шт.

20

01010-51235

BOLT

SN: 10001-@

4шт.

21

01643-31232

WASHER

SN: 10001-@

4шт.

22

419-43-17612

PEDAL,BRAKE, R.H.

SN: 10001-19999

1шт.

22

418-43-17570

PEDAL,BRAKE, R.H.(FOR TBG/ABE SPEC.)

SN: 10001-19999

1шт.

23

419-43-17780

PIN

SN: 10001-@

1шт.

24

01641-20812

WASHER

SN: 10001-@

1шт.

25

04050-12015

PIN,COTTER

SN: 10001-@

1шт.

26

01016-50835

BOLT

SN: 10001-@

1шт.

27

01580-10806

NUT

SN: 10001-@

1шт.

Выбрано товаров: 31