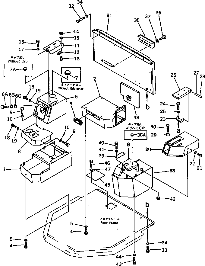
Запчасти Komatsu WA200-1 КОНСОЛЬН. БЛОК (БЕЗ КОНДИЦ. ВОЗДУХА И ОБОГРЕВАТЕЛЬ.)(№-9999) РАМА И ЧАСТИ КОРПУСА

Схема запчастей Komatsu WA200-1 - КОНСОЛЬН. БЛОК (БЕЗ КОНДИЦ. ВОЗДУХА И ОБОГРЕВАТЕЛЬ.)(№-9999) РАМА И ЧАСТИ КОРПУСА
FIT
1:1
100%

Артикул

Название

Примечание

Количество

1

419-54-12643

BOX

SN: 20001-29999

1шт.

2

419-54-12244

BOX

SN: 20001-29999

1шт.

3

421-07-12512

GRILLE ASS'Y

SN: 10001-@

2шт.

4

01010-51225

BOLT

SN: 10001-29999

8шт.

5

01643-31232

WASHER

SN: 10001-29999

8шт.

6

419-54-12653

BOX

SN: 20001-@

1шт.

6A

425-54-12960

SCREW

SN: 10001-@

1шт.

6B

01642-20608

WASHER

SN: 10001-@

1шт.

6C

01643-30623

WASHER

SN: 10001-@

1шт.

7

419-54-12280

COVER,(WITHOUT ODOMETER)

SN: 10001-@

1шт.

7A

09415-02512

CAP,(WITHOUT CAB)

SN: 10001-@

1шт.

8

419-54-12332

COVER

SN: 20001-@

1шт.

9

01010-50816

BOLT

SN: 10001-@

5шт.

10

01643-30823

WASHER

SN: 10001-@

5шт.

11

419-54-12682

BRACKET

SN: 10001-@

1шт.

12

09452-06506

CATCHER

SN: 10001-@

1шт.

13

01224-40412

SCREW

SN: 10001-@

2шт.

14

01580-10403

NUT

SN: 10001-@

2шт.

15

01601-20410

WASHER,SPRING

SN: 10001-@

2шт.

16

01010-50616

BOLT

SN: 10001-@

4шт.

17

01643-30623

WASHER

SN: 10001-@

4шт.

18

01220-70616

SCREW

SN: .-@

2шт.

|18

0

SCREW

SN: 20001-.

2шт.

19

01642-40608

WASHER

SN: .-@

2шт.

|19

0

WASHER

SN: 20001-.

2шт.

20

425-54-12671

COVER

SN: 10745-@

1шт.

21

01220-70616

SCREW

SN: .-@

4шт.

|21

423-54-12830

SCREW

SN: 10745-.

4шт.

22

01642-40608

WASHER

SN: .-@

4шт.

|22

423-54-12840

WASHER

SN: 10745-.

4шт.

23

425-54-12520

PLATE

SN: 10001-@

1шт.

24

01010-51020

BOLT

SN: 10001-@

2шт.

25

01643-31032

WASHER

SN: 10001-@

2шт.

26

425-54-12510

BRACKET

SN: 10001-@

1шт.

27

425-54-12530

SHAFT

SN: 10001-@

1шт.

28

04050-13018

PIN,COTTER

SN: 10001-@

2шт.

29

425-54-12590

STOPPER

SN: 10001-@

2шт.

30

01220-30420

SCREW

SN: 10001-@

2шт.

31

418-54-12232

COVER

SN: 10001-29999

1шт.

|31

0

COVER

SN: 10001-29999

1шт.

32

01010-51240

BOLT

SN: 10001-29999

3шт.

33

01010-51225

BOLT

SN: 10001-29999

3шт.

34

01643-31232

WASHER

SN: 10001-29999

6шт.

35

418-54-12140

PLATE

SN: 10001-@

1шт.

36

01010-51235

BOLT

SN: 10001-29999

2шт.

37

01643-31232

WASHER

SN: 10001-29999

2шт.

38

424-54-12830

BOX

SN: 10001-@

1шт.

38A

09415-00506

CAP,(WITHOUT CAB)

SN: 10001-@

2шт.

39

424-54-12820

PLATE

SN: 10001-@

1шт.

40

01010-51025

BOLT

SN: 10001-29999

2шт.

41

01643-31032

WASHER

SN: 10001-29999

2шт.

42

01580-11008

NUT

SN: 10001-@

2шт.

43

01010-51225

BOLT

SN: 10001-29999

3шт.

44

01643-31232

WASHER

SN: 10001-29999

3шт.

45

419-54-12260

PLATE

SN: 10001-@

1шт.

46

01010-50610

BOLT

SN: 10001-29999

2шт.

47

01643-30623

WASHER

SN: 10001-29999

2шт.

Выбрано товаров: 57