Качественные детали и логистика
Оригинальные и аналоговые запчасти с доставкой по России, Казахстану и Беларуси
©2022 PartSell ООО "Система" ИНН 2463123282 ОГРН 1212400004838
Центральный офис: г. Красноярск, Академика Киренского, д.87, пом.4
Телефон: 8 (800) 777-65-74 Email: zakaz@partsell.ru
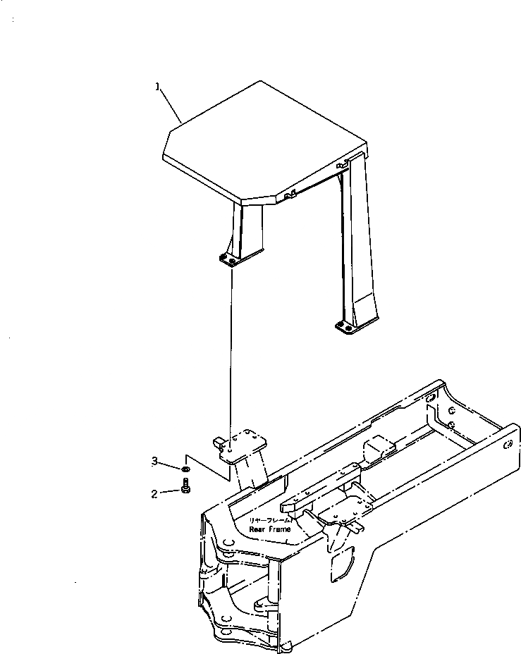
СИСТЕМА ROPS(№-9999)
№
Артикул
Название
Примечание
Количество
|1
419-54-19001
ROPS CANOPY ASS'Y
SN: 10001-29999
1шт.
1
0
CANOPY,ROPS
2
01010-32485
BOLT
10шт.
3
01643-32460
WASHER
Выбрано товаров: 0