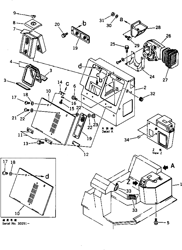
Запчасти Komatsu WA200-1 КОНДИЦ. ВОЗДУХА (/) (NIPPON DENSO)(№9-) РАМА И ЧАСТИ КОРПУСА

Схема запчастей Komatsu WA200-1 - КОНДИЦ. ВОЗДУХА (/) (NIPPON DENSO)(№9-) РАМА И ЧАСТИ КОРПУСА
FIT
1:1
100%

Артикул

Название

Примечание

Количество

1

423-T43-1111

AIR CONDITIONER A.

SN: 30001-UP

1шт.

|1

419-T43-1112

BOX ASS'Y

SN: 30029-UP

1шт.

|1

0

BOX ASS'Y

SN: (30029-30648)

1шт.

2

0

BOX

SN: 30649-UP

1шт.

|2

0

BOX

SN: 30029-30648

1шт.

3

419-963-1170

INSULATOR

SN: 20092-UP

2шт.

4

419-T43-1240

INSULATOR

SN: 30649-UP

2шт.

|4

423-963-1330

INSULATOR

SN: 20092-30648

2шт.

5

01435-01220

BOLT

SN: 30001-UP

3шт.

6

01435-01220

BOLT

SN: 30346-UP

4шт.

|6

01435-01220

BOLT

SN: 30001-30345

6шт.

7

421-07-12312

FILTER

SN: 20092-UP

2шт.

8

425-07-11130

PLATE

SN: 20092-UP

1шт.

9

01540-20840

NUT,WING

SN: 20092-UP

1шт.

10

419-T43-1211

COVER

SN: 30029-UP

1шт.

11

421-T43-1340

PLATE

SN: 30029-UP

2шт.

12

421-T43-1330

PLATE

SN: 30029-UP

2шт.

13

01435-00616

BOLT

SN: 30001-UP

4шт.

14

421-T43-1350

PLATE

SN: 30029-30290

2шт.

15

01220-40308

SCREW

SN: 30001-30290

4шт.

16

01601-20307

WASHER,SPRING

SN: 30001-30290

4шт.

17

425-54-12960

SCREW

SN: 30029-UP

2шт.

18

01643-30623

WASHER

SN: 30029-UP

2шт.

19

423-T43-1430

FILTER

SN: 30001-UP

2шт.

20

01435-00816

BOLT

SN: 30001-UP

2шт.

21

01220-40820

SCREW

SN: 20092-UP

2шт.

22

01643-30823

WASHER

SN: 30001-UP

6шт.

23

01580-10806

NUT

SN: 20092-UP

2шт.

24

425-963-1210

BRACKET

SN: 20092-UP

1шт.

25

01435-00820

BOLT

SN: 20092-UP

4шт.

26

425-963-1160

BLOWER ASS'Y

SN: 20092-UP

1шт.

27

425-963-1180

DUCT

SN: 20092-UP

1шт.

28

425-963-1170

DAMPER ASS'Y

SN: 20092-UP

1шт.

29

01435-00820

BOLT

SN: 30001-UP

2шт.

30

01643-30823

WASHER

SN: 20092-UP

2шт.

31

01580-10806

NUT

SN: 30001-UP

2шт.

32

08037-02512

GROMMET

SN: 30001-UP

1шт.

33

421-07-12512

GRILLE ASS'Y

SN: 20092-UP

2шт.

34

07049-01215

PLUG

SN: 30001-UP

2шт.

Выбрано товаров: 39