Запчасти Komatsu WA200-1 КОНДИЦ. ВОЗДУХА (/) (NIPPON DENSO)(№9-) РАМА И ЧАСТИ КОРПУСА

Схема запчастей Komatsu WA200-1 - КОНДИЦ. ВОЗДУХА (/) (NIPPON DENSO)(№9-) РАМА И ЧАСТИ КОРПУСА
FIT
1:1
100%

Артикул

Название

Примечание

Количество

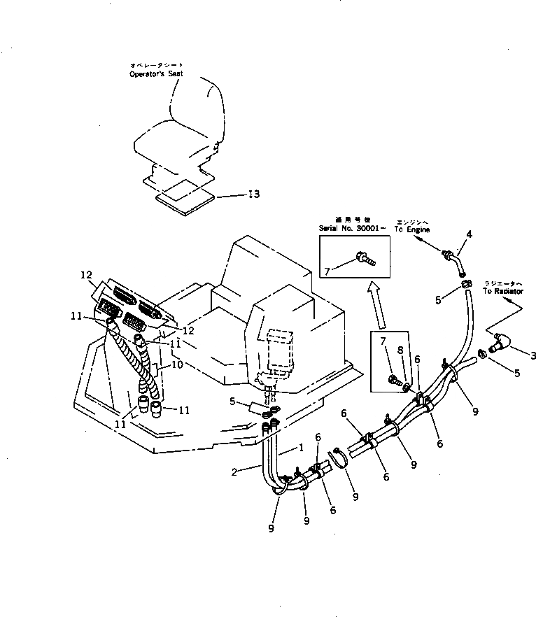
1

419-07-13110

HOSE

SN: 20092-UP

1шт.

2

419-07-13120

HOSE

SN: 20092-UP

1шт.

3

6137-81-3221

ELBOW

SN: 20092-UP

1шт.

4

419-07-11940

ELBOW

SN: 20092-UP

1шт.

5

07281-00259

CLAMP

SN: 20092-UP

6шт.

6

08036-02514

CLIP

SN: 20092-UP

8шт.

7

01435-01020

BOLT

SN: 30001-UP

4шт.

|7

0

BOLT

SN: 20092-29999

4шт.

8

01643-31032

WASHER

SN: 20092-.

4шт.

9

08034-20536

BAND

SN: .-UP

5шт.

9

08034-00823

BAND

SN: 20092-.

5шт.

10

421-07-12831

HOSE

SN: 20092-UP

2шт.

11

421-07-12810

CONNECTOR

SN: 20092-UP

4шт.

12

421-07-12512

GRILLE ASS'Y

SN: 20092-UP

4шт.

13

423-07-11110

INSULATOR

SN: 30001-UP

1шт.

Выбрано товаров: 15