Запчасти Komatsu WA200-1 СОЕДИНИТ. УСТР-ВО ТРУБЫ (/)(№-9999) УПРАВЛ-Е РАБОЧИМ ОБОРУДОВАНИЕМ

Схема запчастей Komatsu WA200-1 - СОЕДИНИТ. УСТР-ВО ТРУБЫ (/)(№-9999) УПРАВЛ-Е РАБОЧИМ ОБОРУДОВАНИЕМ
FIT
1:1
100%

Артикул

Название

Примечание

Количество

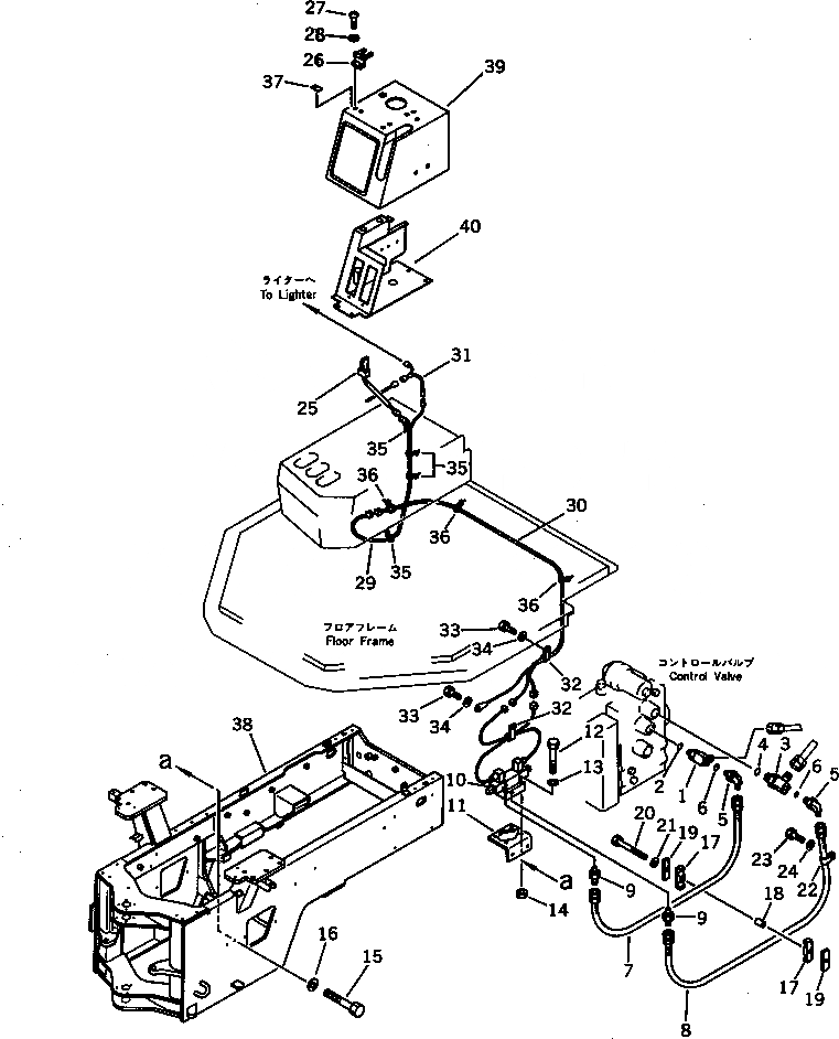
1

418-879-1510

ELBOW

SN: 10001-@

1шт.

2

07002-02434

O-RING

SN: 10001-@

1шт.

3

418-879-1520

ELBOW

SN: 10001-19999

1шт.

4

07002-03334

O-RING

SN: 10001-19999

1шт.

5

07235-10315

ELBOW

SN: 10001-19999

2шт.

6

07002-02034

O-RING

SN: 10001-19999

2шт.

7

07102-20310

HOSE

SN: 10001-19999

1шт.

8

07102-20308

HOSE

SN: 10001-19999

1шт.

9

423-35-12250

CONNECTOR

SN: 10001-@

2шт.

10

418-879-1680

VALVE ASS'Y

SN: 10001-@

1шт.

11

418-879-1530

BRACKET

SN: 10001-@

1шт.

12

01252-30630

BOLT

SN: 10001-@

4шт.

13

01643-30623

WASHER

SN: 10001-@

4шт.

14

426-09-11130

NUT

SN: 10001-@

4шт.

15

01010-51030

BOLT

SN: 10001-@

2шт.

16

01643-31032

WASHER

SN: 10001-@

2шт.

17

419-906-1770

CLAMP

SN: 10001-19999

2шт.

18

419-906-1790

SPACER

SN: 10001-19999

1шт.

19

419-906-1720

PLATE

SN: 10001-19999

2шт.

20

01010-51060

BOLT

SN: 10001-19999

1шт.

21

01643-31032

WASHER

SN: 10001-19999

1шт.

22

08036-01814

CLIP

SN: 10001-@

1шт.

23

01010-51225

BOLT

SN: 10001-@

1шт.

24

01643-31232

WASHER

SN: 10001-@

1шт.

25

419-879-1510

SWITCH

SN: 10001-@

1шт.

26

418-879-1720

HINGE

SN: 10001-@

1шт.

27

01220-40408

SCREW

SN: 10001-@

2шт.

28

01641-20405

WASHER

SN: 10001-@

2шт.

29

418-879-1690

WIRE ASS'Y

SN: 10001-@

1шт.

30

418-879-1710

WIRE ASS'Y

SN: 10001-@

1шт.

31

418-V82-1110

WIRE ASS'Y

SN: 10001-@

1шт.

32

08036-10814

CLIP

SN: 10001-@

2шт.

33

01010-50816

BOLT

SN: 10001-@

2шт.

34

01643-30823

WASHER

SN: 10001-@

2шт.

35

08034-00536

BAND

SN: 10001-19999

4шт.

36

08034-00519

BAND

SN: 10001-@

3шт.

37

416-879-1610

PLATE¤ OPERATING

SN: 10001-@

1шт.

38

418-879-1540

FRAME,REAR (MODIFIED PARTS)

SN: 10001-19999

1шт.

39

418-V82-1130

BOX,(MODIFIED PARTS)

SN: 10001-19999

1шт.

40

418-V82-1120

BOX,(MODIFIED PARTS)

SN: 10001-19999

1шт.

|40

418-944-1570

BOX,(MODIFIED PART)

SN: 10001-19999

1шт.

Выбрано товаров: 41