Запчасти Komatsu WA200-1 УПРАВЛ. НАВЕСН. ОБОРУД. РЫЧАГ УПРАВЛ-Е РАБОЧИМ ОБОРУДОВАНИЕМ

Схема запчастей Komatsu WA200-1 - УПРАВЛ. НАВЕСН. ОБОРУД. РЫЧАГ УПРАВЛ-Е РАБОЧИМ ОБОРУДОВАНИЕМ
FIT
1:1
100%

Артикул

Название

Примечание

Количество

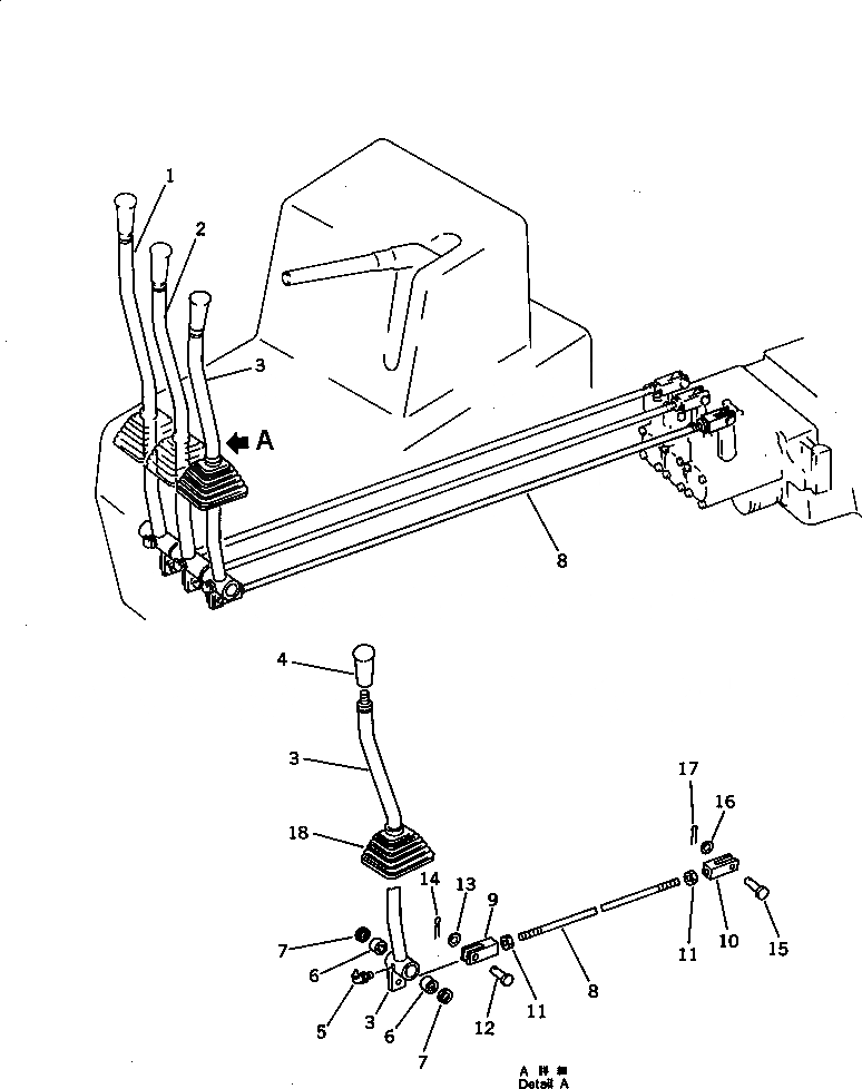
1

418-877-1450

LEVER,LIFT

SN: 30001-UP

1шт.

|1

418-877-1261

LEVER,LIFT

SN: 10001-29999

1шт.

|1

418-877-1440

LEVER

SN: 30001-UP

1шт.

|1

421-06-15510

SWITCH

SN: 30001-UP

1шт.

1A

421-06-15520

SWITCH

SN: 30001-UP

1шт.

1B

421-06-15550

BODY

SN: 30001-UP

1шт.

1C

421-06-15530

COVER

SN: 30001-UP

1шт.

1D

421-06-15540

SCREW

SN: 30001-UP

1шт.

|1

419-43-18160

BOOT

SN: 30001-UP

1шт.

|1

419-43-18380

GROMMET

SN: 30001-UP

1шт.

|1

08027-11210

CONNECTOR

SN: 30001-UP

1шт.

2

418-877-1252

LEVER,DUMP

SN: .-UP

1шт.

|2

0

LEVER,DUMP

SN: 10001-.

1шт.

3

418-877-1271

LEVER,ATTACHMENT

SN: 10001-UP

1шт.

4

113-43-23420

KNOB

SN: 10001-UP

1шт.

5

07020-00900

FITTING,GREASE

SN: 10001-UP

1шт.

6

06120-02016

BEARING

SN: 10001-UP

2шт.

7

06122-02004

SEAL,BEARING

SN: 10001-UP

2шт.

8

04245-41068

ROD

SN: 30454-UP

1шт.

|8

419-43-18170

ROD

SN: 10001-30453

1шт.

9

04211-21055

YOKE

SN: 10001-UP

1шт.

10

418-43-18230

YOKE

SN: 10001-UP

1шт.

11

01582-11008

NUT

SN: 10001-UP

2шт.

12

04205-11030

PIN

SN: 10001-UP

1шт.

13

01641-21016

WASHER

SN: 10001-UP

1шт.

14

04050-13020

PIN,COTTER

SN: 10001-UP

1шт.

15

04205-10830

PIN

SN: 10001-UP

1шт.

16

01641-20812

WASHER

SN: 10001-UP

1шт.

17

04050-12015

PIN,COTTER

SN: 10001-UP

1шт.

18

419-43-18160

BOOT

SN: 10001-UP

1шт.

Выбрано товаров: 30