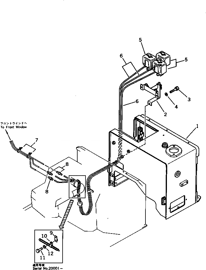
Запчасти Komatsu WA200-1 ОМЫВАТЕЛЬ СТЕКЛА (ДЛЯ КАБИНА ДЛЯ 2 ЧЕЛ.)(№-9999) СПЕЦ. APPLICATION ЧАСТИ

Схема запчастей Komatsu WA200-1 - ОМЫВАТЕЛЬ СТЕКЛА (ДЛЯ КАБИНА ДЛЯ 2 ЧЕЛ.)(№-9999) СПЕЦ. APPLICATION ЧАСТИ
FIT
1:1
100%

Артикул

Название

Примечание

Количество

1

0

TANK,(MODIFIED PART)

SN: 20001-29999

1шт.

|1

0

TANK,(MODIFIED PART)

SN: 10001-19999

1шт.

2

418-944-1461

BRACKET

SN: .-29999

1шт.

|2

0

BRACKET

SN: 10001-.

1шт.

3

01010-51225

BOLT

SN: 10001-29999

3шт.

4

01643-31232

WASHER

SN: 10001-29999

3шт.

5

421-07-15160

TANK,WASHER

SN: 10001-@

3шт.

6

424-07-15110

HOSE

SN: 10001-29999

3шт.

7

08034-00310

BAND

SN: 10001-@

6шт.

8

421-07-15110

JOINT

SN: 10001-@

3шт.

9

418-944-1390

PLATE

SN: 20001-29999

1шт.

10

08036-01414

CLIP

SN: 20001-29999

1шт.

11

01010-50816

BOLT

SN: 20001-29999

1шт.

12

01643-30823

WASHER

SN: 20001-29999

1шт.

Выбрано товаров: 14