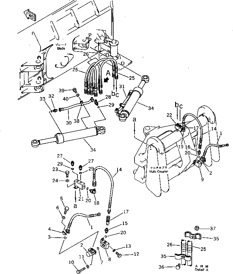
Запчасти Komatsu WA200-1 PITCH И ANGLE SNOW PНИЗ. (ЦИЛИНДР НАКЛОНА ЛИНИЯ)(№-()) СПЕЦ. APPLICATION ЧАСТИ

Схема запчастей Komatsu WA200-1 - PITCH И ANGLE SNOW PНИЗ. (ЦИЛИНДР НАКЛОНА ЛИНИЯ)(№-()) СПЕЦ. APPLICATION ЧАСТИ
FIT
1:1
100%

Артикул

Название

Примечание

Количество

1

419-915-1210

HOSE

SN: 10001-@

2шт.

2

07128-00600

JOINT,SWIVEL

SN: 10001-@

2шт.

3

07000-13025

O-RING

SN: 10001-@

2шт.

4

07371-30638

FLANGE,SPLIT

SN: 10001-@

4шт.

5

01010-30830

BOLT

SN: 10001-@

8шт.

6

01643-50823

WASHER

SN: 10001-@

8шт.

7

07000-13030

O-RING

SN: 10001-@

2шт.

8

418-915-1310

ELBOW

SN: 10001-@

1шт.

9

418-915-1320

ELBOW

SN: 10001-@

1шт.

10

01010-30860

BOLT

SN: 10001-@

8шт.

11

01602-20825

WASHER,SPRING

SN: 10001-@

8шт.

12

01010-31020

BOLT

SN: 10001-@

4шт.

13

01643-31032

WASHER

SN: 10001-@

4шт.

14

423-915-1240

HOSE

SN: 10001-@

2шт.

15

423-915-1450

UNION

SN: 10001-@

1шт.

16

07230-10628

UNION

SN: 10001-@

1шт.

17

423-915-1310

JOINT ASS'Y

SN: 10001-@

2шт.

18

07235-10628

ELBOW

SN: 10001-@

1шт.

19

423-914-1220

ELBOW

SN: 10001-@

1шт.

20

07002-12434

O-RING

SN: 10001-@

4шт.

21

418-915-1510

BLOCK,L.H.

SN: 10001-(003)

1шт.

22

418-915-1530

BLOCK,R.H.

SN: 10001-(003)

1шт.

23

01010-31020

BOLT

SN: 10001-(003)

2шт.

24

01643-31032

WASHER

SN: 10001-(003)

2шт.

25

07123-20409

HOSE

SN: 10001-@

2шт.

26

07123-20410

HOSE

SN: 10001-(003)

2шт.

27

07230-10422

UNION

SN: 10001-(003)

4шт.

28

07235-10422

ELBOW

SN: 10001-@

2шт.

29

07002-12034

O-RING

SN: 10001-@

6шт.

30

418-904-1330

TUBE

SN: 10001-(003)

1шт.

31

418-904-1340

TUBE

SN: 10001-(003)

1шт.

32

07230-10422

UNION

SN: 10001-(003)

2шт.

33

07002-12034

O-RING

SN: 10001-(003)

2шт.

34

707-00-90221

CYLINDER ASS'Y

SN: 10001-(003)

2шт.

35

156-61-11590

CLAMP

SN: 10001-(003)

4шт.

36

01010-31020

BOLT

SN: 10001-(003)

2шт.

37

01598-01011

NUT

SN: 10001-(003)

2шт.

38

140-06-18440

CLIP

SN: 10001-(003)

2шт.

39

01010-31220

BOLT

SN: 10001-(003)

2шт.

40

01643-31232

WASHER

SN: 10001-(003)

2шт.

Выбрано товаров: 40