Запчасти Komatsu WA200-1 КОРПУС ТРАНСМИССИИ (/)(№-9999) ТРАНСМИССИЯ

Схема запчастей Komatsu WA200-1 - КОРПУС ТРАНСМИССИИ (/)(№-9999) ТРАНСМИССИЯ
FIT
1:1
100%

Артикул

Название

Примечание

Количество

|1

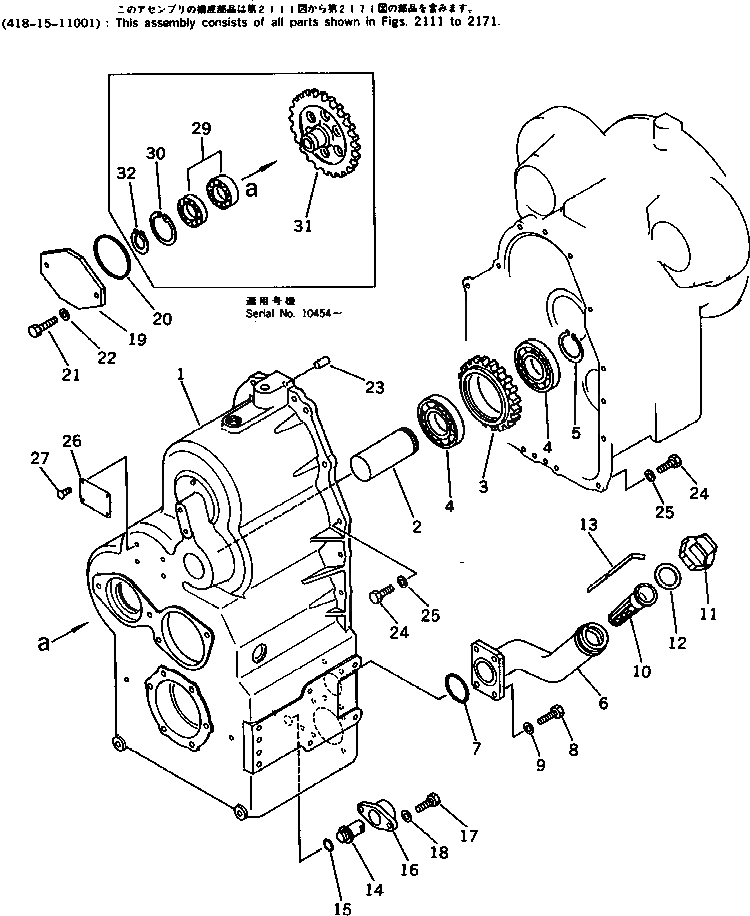
418-15-11001

TRANSMISSION ASS'Y

SN: 10001-19999

1шт.

|1

419-15-18013

CASE ASS'Y

SN: 10127-19999

1шт.

|1

0

CASE ASS'Y

SN: 10001-10126

1шт.

1

0

CASE

SN: 10127-19999

1шт.

|1

0

CASE

SN: 10001-10126

1шт.

2

0

SHAFT,IDLER

SN: 10001-@

1шт.

3

419-15-12820

GEAR,IDLER

SN: 10001-@

1шт.

4

06033-06212

BEARING

SN: 10001-@

2шт.

5

04064-06020

RING,SNAP

SN: 10001-@

1шт.

6

419-15-14411

TUBE,FILLER

SN: 10001-19999

1шт.

7

07000-02065

O-RING (K1)

SN: 10001-@

1шт.

8

01010-31035

BOLT

SN: 10001-19999

4шт.

9

01643-31032

WASHER

SN: 10001-@

4шт.

10

07056-10045

STRAINER

SN: 10001-19999

1шт.

11

07051-00000

CAP

SN: 10001-19999

1шт.

12

07051-00003

GASKET

SN: 10001-19999

1шт.

13

419-15-14423

GAUGE

SN: 10001-19999

1шт.

14

424-15-13820

PLUG

SN: 10001-19999

1шт.

15

07002-02434

O-RING (K1)

SN: 10001-@

1шт.

16

419-15-18230

COVER

SN: 10175-19999

1шт.

|16

0

COVER

SN: 10001-10174

1шт.

17

01010-31230

BOLT

SN: 10001-19999

2шт.

18

01643-31232

WASHER

SN: 10001-19999

2шт.

19

419-15-14220

COVER

SN: 10001-19999

1шт.

20

07000-02105

O-RING (K1)

SN: 10001-19999

1шт.

21

01010-31235

BOLT

SN: 10001-19999

2шт.

22

01643-31232

WASHER

SN: 10001-19999

2шт.

23

04020-01434

PIN,DOWEL

SN: 10001-@

2шт.

24

01010-31235

BOLT

SN: 10001-@

12шт.

25

01643-31232

WASHER

SN: 10001-19999

12шт.

26

22X-22-13171

PLATE¤ NAME,(LIMITED SUPPLY)

SN: 10001-@

1шт.

27

04418-03060

SCREW

SN: 10001-@

4шт.

28

419-15-18131

LIQUID GASKET,(NOT SHOWN) (K1)

SN: 10001-@

1шт.

|28

0

LIQUID GASKET,(NOT SHOWN)

SN: (10001-.)

1шт.

29

06030-06008

BEARING

SN: 10454-19999

2шт.

30

04065-06825

RING,SNAP

SN: 10454-19999

1шт.

31

418-15-11130

GEAR

SN: 10454-19999

1шт.

32

04064-04018

RING,SNAP

SN: 10454-19999

1шт.

Выбрано товаров: 38