Запчасти Komatsu WA200-3-SN ОТВАЛ (ЦИЛИНДР И КОМПОНЕНТЫ) (S.P.A.P.) (С НАКЛОНЯЕМ.) РАБОЧЕЕ ОБОРУДОВАНИЕ

Схема запчастей Komatsu WA200-3-SN - ОТВАЛ (ЦИЛИНДР И КОМПОНЕНТЫ) (S.P.A.P.) (С НАКЛОНЯЕМ.) РАБОЧЕЕ ОБОРУДОВАНИЕ
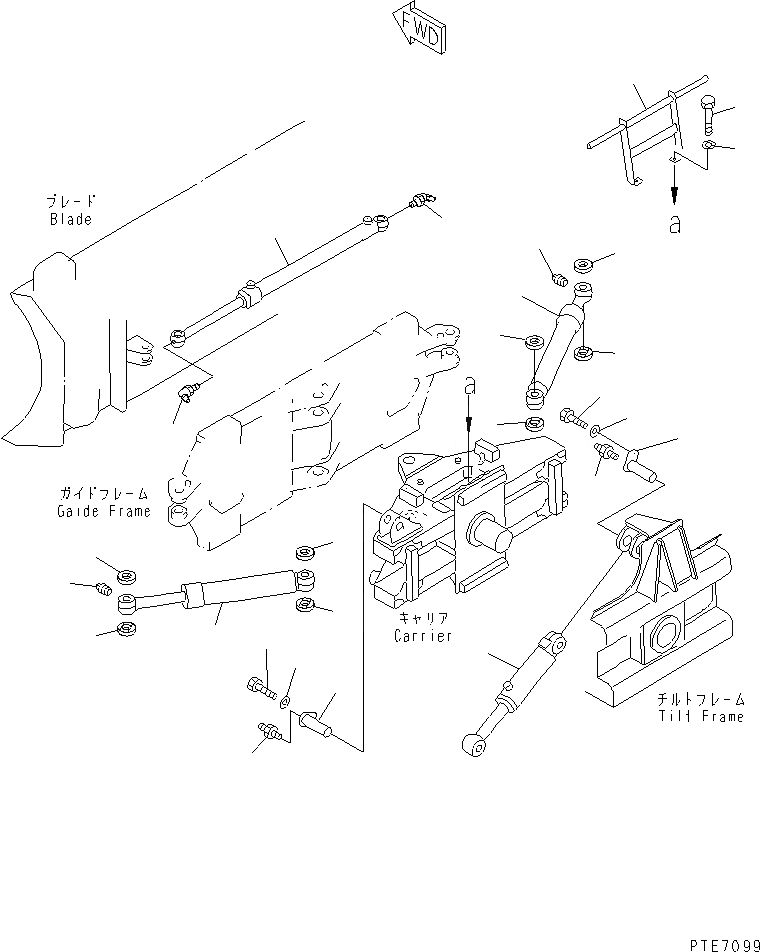
1
2
3
3
3
3
3
3
3
3
4
4
5
6
6
7
8
8
9
9
10
10
11
11
12
13
14
FIT
1:1
100%

Артикул

Название

Примечание

Количество

1

707-00-X7280

CYLINDER GROUP,ANGLE¤ L.H.

SN: 64001-UP

1шт.

|1

707-00-10061

CYLINDER ASS'Y,ANGLE¤ L.H.

SN: 63001-64000

1шт.

2

707-00-X7270

CYLINDER GROUP,ANGLE¤ R.H.

SN: 64001-UP

1шт.

|2

707-00-10051

CYLINDER ASS'Y,ANGLE¤ R.H.

SN: 63001-64000

1шт.

3

416-09-11140

SEAL,DUST

SN: 63001-UP

8шт.

4

07042-20108

PLUG

SN: 63001-UP

4шт.

5

707-00-X7670

CYLINDER GROUP,SIDE SHIFT

SN: 64001-UP

1шт.

|5

707-00-X7890

CYLINDER GROUP,SIDE SHIFT (WITH MLT.COUPLER)

SN: 64001-UP

1шт.

|5

707-00-70140

CYLINDER ASS'Y,SIDE SHIFT

SN: 63001-64000

1шт.

6

07020-00000

FITTING,GREASE

SN: 63001-UP

2шт.

7

707-00-X7710

CYLINDER GROUP,TILT

SN: 64001-UP

1шт.

|7

707-00-X7730

CYLINDER GROUP,TILT (WITH MULTI COUPLER)

SN: 64001-UP

1шт.

|7

707-00-02090

CYLINDER ASS'Y,TILT

SN: 63001-64000

1шт.

8

417-70-11950

PIN

SN: 63001-UP

2шт.

9

01010-81220

BOLT

SN: 63001-UP

2шт.

10

175-54-34170

WASHER

SN: 63001-UP

2шт.

11

07020-00000

FITTING,GREASE

SN: 63001-UP

2шт.

12

416-T50-1150

SUPPORT

SN: 63001-UP

1шт.

13

01010-81225

BOLT

SN: 63001-UP

2шт.

14

01643-31232

WASHER

SN: 63001-UP

2шт.

Выбрано товаров: 0