Запчасти Komatsu WA200-3-SN КЛАПАН УПРАВЛЕНИЯ ТРАНСМИССИЕЙ (/) (НИЖНИЙ КЛАПАН)(СНЕГОУБОРОЧН. СПЕЦ-Я.)(W/ТАХОГРАФ) ТРАНСМИССИЯ

Схема запчастей Komatsu WA200-3-SN - КЛАПАН УПРАВЛЕНИЯ ТРАНСМИССИЕЙ (/) (НИЖНИЙ КЛАПАН)          (СНЕГОУБОРОЧН. СПЕЦ-Я.)(W/ТАХОГРАФ) ТРАНСМИССИЯ
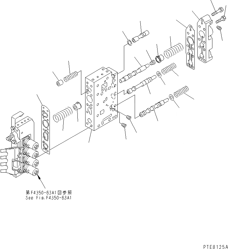
1
2
3
4
5
6
7
8
9
10
10
11
11
12
13
14
15
15
16
16
17
18
19
20
21
FIT
1:1
100%

Артикул

Название

Примечание

Количество

|$$1

SERIAL NO. IN ( ) INDICATES TRANSMISSION SERIAL NO.

-1шт.

|1

714-13-10012

TORQFLOW ASS'Y

SN: 63473-UP

1шт.

|1

714-13-10011

TORQFLOW ASS'Y

SN: 63001-63472

1шт.

|1

714-13-10210

TORQFLOW ASS'Y,(TACHOGRAPH & KAISOU)

SN: 64001-UP

1шт.

|$$5

THESE ASSEMBLIES CONSISTS OF ALL PARTS SHOWN IN FIGS.F4350-51A1 TO F4350-70A1.

-1шт.

|1

714-13-15030

CONTROL VALVE ASS'Y

SN: (77721)-UP

1шт.

|1

0

CONTROL VALVE ASS'Y

SN: 63001-(77720)

1шт.

|$$8

THESE ASSEMBLIES CONSISTS OF ALL PARTS SHOWN IN FIGS.F4350-61A1 TO F4350-63A1A.

-1шт.

|1

714-11-16200

VALVE ASS'Y,LOWER

SN: (77721)-UP

1шт.

|$$10

THIS ASSEMBLY CONSISTS OF ALL PARTS SHOWN IN FIGS.F4350-62A1 AND F4350-63A1A .

-1шт.

|1

0

VALVE ASS'Y,LOWER

SN: (76923)-(77720)

1шт.

|1

0

VALVE ASS'Y,LOWER

SN: 63001-(76922)

1шт.

|$$13

THESE ASSEMBLIES CONSIST OF ALL PARTS SHOWN IN FIGS.F4350-62A1 AND F4350-63A1.

-1шт.

1

419-15-16521

BODY,LOWER

SN: 63001-UP

1шт.

2

419-15-16530

COVER

SN: 63001-UP

1шт.

3

419-15-16541

GASKET (K2)

SN: 63001-UP

1шт.

4

419-15-16551

GASKET (K2)

SN: 63001-UP

1шт.

5

419-15-16560

VALVE,T/C REGULATOR SELECTOR

SN: 63001-UP

1шт.

6

714-11-15210

VALVE,FORWARD AND REVERSE SELECTOR

SN: 63001-UP

1шт.

7

714-11-15230

VALVE,H-L SELECTOR

SN: 63001-UP

1шт.

8

714-11-15220

VALVE,SPEED SELECTOR

SN: 63001-UP

1шт.

9

419-15-16610

SPRING,T/C REGULATOR SELECTOR

SN: 63001-UP

1шт.

10

419-15-16620

SPRING,RETURN

SN: 63001-UP

2шт.

11

419-15-16631

SPACER,SPRING

SN: 63001-UP

2шт.

12

02720-10104

PLUG

SN: 63001-UP

1шт.

13

419-15-16640

RETAINER,SPRING

SN: 63001-UP

1шт.

14

419-15-16650

SHIM¤ 1.0MM

SN: 63001-UP

5шт.

15

417-15-17191

SLEEVE

SN: (76923)-UP

2шт.

|15

0

SLEEVE

SN: 63001-(76922)

2шт.

16

417-15-17280

SPRING

SN: 63001-UP

2шт.

17

07042-80108

PLUG

SN: (77721)-UP

1шт.

|17

07042-30108

PLUG

SN: 63001-(77720)

1шт.

18

01010-81030

BOLT

SN: 63001-UP

2шт.

19

01010-81055

BOLT

SN: 63001-UP

7шт.

20

419-15-15640

PLUG

SN: 63001-UP

1шт.

21

415-15-15430

PLUG

SN: 63001-UP

1шт.

Выбрано товаров: 36