Запчасти Komatsu WA200-3-X УПРАВЛ-Е ТРАНСМИССИЕЙ ПЕРЕКЛЮЧАТЕЛЬ(№-) КОМПОНЕНТЫ ДВИГАТЕЛЯ И ЭЛЕКТРИКА

Схема запчастей Komatsu WA200-3-X - УПРАВЛ-Е ТРАНСМИССИЕЙ ПЕРЕКЛЮЧАТЕЛЬ(№-) КОМПОНЕНТЫ ДВИГАТЕЛЯ И ЭЛЕКТРИКА
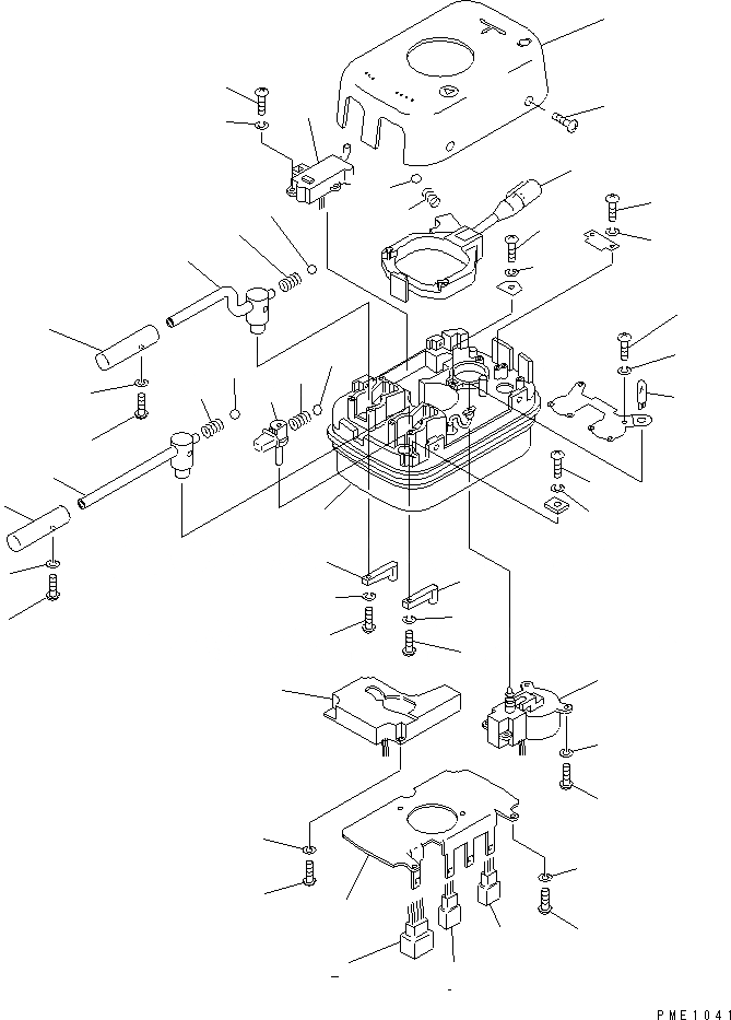
1
1
2
2
3
4
5
5
6
7
8
8
9
9
10
10
11
12
13
14
14
15
15
16
17
18
19
20
21
22
22
23
24
25
26
27
28
29
30
31
32
33
34
35
35
36
36
37
38
39
40
FIT
1:1
100%

Артикул

Название

Примечание

Количество

1

417-43-26120

SWITCH ASS'Y,TRANSMISSION CONTROL

SN: 60001-UP

1шт.

2

417-43-26210

SWITCH,TRANSMISSION

SN: 60001-UP

1шт.

3

01220-40412

SCREW

SN: 60001-UP

4шт.

4

01601-20410

WASHER,SPRING

SN: 60001-UP

4шт.

5

417-43-26220

SWITCH,LAMP

SN: 60001-UP

1шт.

6

01220-40412

SCREW

SN: 60001-UP

4шт.

7

01601-20410

WASHER,SPRING

SN: 60001-UP

4шт.

8

417-43-26320

ARM,MAGNET

SN: 60001-UP

2шт.

9

01220-40312

SCREW

SN: 60001-UP

2шт.

10

01601-20307

WASHER,SPRING

SN: 60001-UP

2шт.

11

417-43-26330

LEVER ASS'Y,LAMP AND TURN SIGNAL

SN: 60001-UP

1шт.

12

417-43-26350

BALL

SN: 60001-UP

1шт.

13

417-43-26340

SPRING

SN: 60001-UP

1шт.

14

01220-40408

SCREW

SN: 60001-UP

3шт.

15

01601-20410

WASHER,SPRING

SN: 60001-UP

3шт.

16

417-43-26230

SWITCH,HAZARD

SN: 60001-UP

1шт.

17

01220-40412

SCREW

SN: 60001-UP

3шт.

18

01601-20410

WASHER,SPRING

SN: 60001-UP

3шт.

19

7815-11-1010

BULB¤ 1.4W

SN: 60001-UP

1шт.

20

01220-40408

SCREW

SN: 60001-UP

6шт.

21

01601-20410

WASHER,SPRING

SN: 60001-UP

6шт.

22

417-43-26360

KNOB ASS'Y,LOCK

SN: 60001-UP

1шт.

23

417-43-26380

BALL

SN: 60001-UP

1шт.

24

417-43-26370

SPRING

SN: 60001-UP

1шт.

25

01220-40408

SCREW

SN: 60001-UP

1шт.

26

01601-20410

WASHER,SPRING

SN: 60001-UP

1шт.

|27

417-43-26240

LEVER ASS'Y,F-R

SN: 60001-UP

1шт.

27

417-43-26250

LEVER,F-R

SN: 60001-UP

1шт.

28

417-43-26280

GRIP

SN: 60001-UP

1шт.

29

417-43-26310

BALL

SN: 60001-UP

1шт.

30

417-43-26290

SPRING

SN: 60001-UP

1шт.

|31

417-43-26260

LEVER ASS'Y,TRANSMISSION

SN: 60001-UP

1шт.

31

417-43-26270

LEVER,SPEED

SN: 60001-UP

1шт.

32

417-43-26280

GRIP

SN: 60001-UP

1шт.

33

417-43-26310

BALL

SN: 60001-UP

1шт.

34

417-43-26290

SPRING

SN: 60001-UP

1шт.

35

01220-40308

SCREW

SN: 60001-UP

2шт.

36

01601-20307

WASHER,SPRING

SN: 60001-UP

2шт.

37

421-43-26490

CASE

SN: 60001-UP

1шт.

38

417-43-26410

SCREW

SN: 60001-UP

4шт.

39

01220-40308

SCREW

SN: 60001-UP

4шт.

40

01601-20307

WASHER,SPRING

SN: 60001-UP

4шт.

Выбрано товаров: 42