Запчасти Komatsu WA200-3-X ЭЛЕКТРИКА (КОВШ АВТОМАТИЧ. УРОВЕНЬING СИСТЕМА ЛИНИЯ) (/)(№-) КОМПОНЕНТЫ ДВИГАТЕЛЯ И ЭЛЕКТРИКА

Схема запчастей Komatsu WA200-3-X - ЭЛЕКТРИКА (КОВШ АВТОМАТИЧ. УРОВЕНЬING СИСТЕМА ЛИНИЯ) (/)(№-) КОМПОНЕНТЫ ДВИГАТЕЛЯ И ЭЛЕКТРИКА
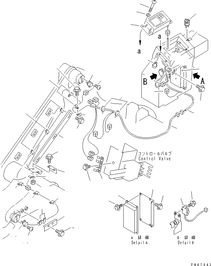
1
1
2
3
3
4
5
6
7
8
9
10
11
12
13
14
15
15
16
16
17
18
19
20
21
22
23
24
25
26
27
28
29
30
31
32
32
32
32
32
33
34
FIT
1:1
100%

Артикул

Название

Примечание

Количество

1

7823-22-2000

CONTROLLER ASS'Y

SN: 60001-UP

1шт.

2

417-S30-2560

PLATE

SN: 60001-UP

1шт.

3

01435-00816

BOLT

SN: 60001-UP

6шт.

4

7823-52-2000

MONITOR ASS'Y,SUB

SN: 60001-UP

1шт.

5

01220-40625

SCREW

SN: 60001-UP

4шт.

6

01642-20608

WASHER

SN: 60001-UP

4шт.

7

421-54-22770

NUT

SN: 60001-UP

4шт.

8

7824-85-4820

SWITCH

SN: 60001-UP

1шт.

|8

7824-84-2890

KNOB

SN: 60001-UP

1шт.

9

418-S30-2760

PLATE¤ OPERATING

SN: 60001-UP

1шт.

10

418-S30-2510

WIRING HARNESS

SN: 60001-UP

1шт.

11

569-06-61960

RELAY

SN: 60001-UP

1шт.

12

08076-50350

SWITCH,LIMIT

SN: 60001-UP

1шт.

13

01435-01030

BOLT

SN: 60001-UP

2шт.

14

418-S30-2520

WIRING HARNESS

SN: 60001-UP

1шт.

15

22T-05-19120

POTENTIOMETER

SN: 60001-UP

2шт.

16

01023-10412

SCREW

SN: 60001-UP

4шт.

17

416-S30-2320

BRACKET

SN: 60001-UP

1шт.

18

01435-01220

BOLT

SN: 60001-UP

1шт.

19

418-S30-2490

PLATE

SN: 60001-UP

1шт.

20

08036-01014

CLIP

SN: 60001-UP

3шт.

21

01435-01016

BOLT

SN: 60001-UP

6шт.

22

418-S30-2610

PLATE

SN: 60001-UP

1шт.

23

08036-01014

CLIP

SN: 60001-UP

2шт.

24

01435-01016

BOLT

SN: 60001-UP

2шт.

25

418-S30-2470

PLATE

SN: 60001-UP

1шт.

26

08053-01510

CLIP

SN: 60001-UP

1шт.

27

01435-01020

BOLT

SN: 60001-UP

2шт.

28

01584-01008

NUT

SN: 60001-UP

2шт.

29

08053-01510

CLIP

SN: 60001-UP

1шт.

30

01435-00812

BOLT

SN: 60001-UP

1шт.

31

01584-00806

NUT

SN: 60001-UP

1шт.

32

08036-01014

CLIP

SN: 60001-UP

6шт.

33

01435-01016

BOLT

SN: 60001-UP

5шт.

34

08034-20519

BAND

SN: 60001-UP

30шт.

Выбрано товаров: 35