Запчасти Komatsu WA200-3-X ГИДРОЛИНИЯ (КОВШ АВТОМАТИЧ. УРОВЕНЬING СИСТЕМА ЛИНИЯ) (/)(№-) УПРАВЛ-Е РАБОЧИМ ОБОРУДОВАНИЕМ

Схема запчастей Komatsu WA200-3-X - ГИДРОЛИНИЯ (КОВШ АВТОМАТИЧ. УРОВЕНЬING СИСТЕМА ЛИНИЯ) (/)(№-) УПРАВЛ-Е РАБОЧИМ ОБОРУДОВАНИЕМ
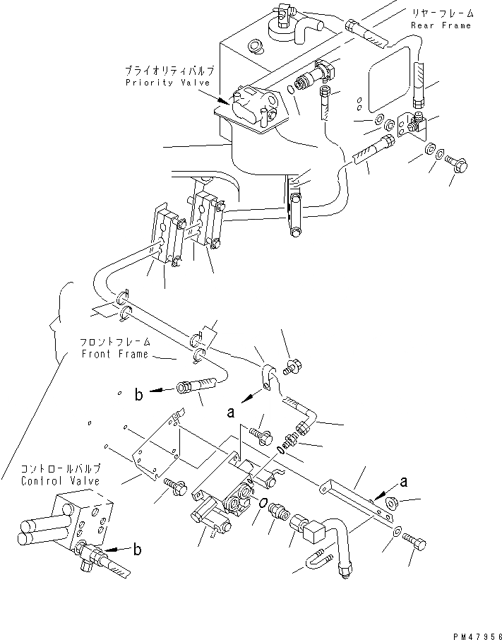
1
2
3
4
5
6
7
8
9
10
11
12
13
13
14
15
16
17
18
18
19
20
21
22
23
23
24
25
25
25
26
26
26
27
28
29
29
FIT
1:1
100%

Артикул

Название

Примечание

Количество

1

419-S30-2110

VALVE ASS'Y,SOLENOID

SN: 60001-UP

1шт.

2

417-S30-2310

PLATE

SN: 60001-UP

1шт.

3

01435-01020

BOLT

SN: 60001-UP

4шт.

4

01435-01030

BOLT

SN: 60001-UP

3шт.

5

418-S30-2310

TUBE

SN: 60001-UP

1шт.

6

417-S30-2340

UNION

SN: 60001-UP

1шт.

7

701-51-31160

O-RING

SN: 60001-UP

1шт.

8

418-S30-2320

PLATE

SN: 60001-UP

1шт.

9

01010-31040

BOLT

SN: 60001-UP

1шт.

10

01643-31032

WASHER

SN: 60001-UP

1шт.

11

07283-33442

CLIP

SN: 60001-UP

1шт.

12

01595-01008

NUT

SN: 60001-UP

2шт.

13

418-S30-2360

HOSE

SN: 60001-UP

1шт.

14

418-S30-2350

TUBE

SN: 60001-UP

1шт.

15

418-62-11630

O-RING

SN: 60001-UP

1шт.

16

23S-61-24120

UNION

SN: 60001-UP

1шт.

17

07000-12011

O-RING

SN: 60001-UP

1шт.

18

418-S97-2160

HOSE,DRAIN

SN: 60001-UP

1шт.

19

418-S97-2170

HOSE,DRAIN

SN: 60001-UP

1шт.

20

418-S30-2730

ELBOW

SN: 60001-UP

1шт.

21

421-62-23350

CUSHION

SN: 60001-UP

2шт.

22

421-62-23710

CUSHION

SN: 60001-UP

2шт.

23

175-54-34170

WASHER

SN: 60001-UP

4шт.

24

01435-01035

BOLT

SN: 60001-UP

2шт.

25

418-S30-2740

CLAMP

SN: 60001-UP

1шт.

26

418-S30-2750

CLAMP

SN: 60001-UP

2шт.

27

04434-51510

CLIP

SN: 60001-UP

1шт.

28

01435-01016

BOLT

SN: 60001-UP

1шт.

29

08034-20536

BAND

SN: 60001-UP

4шт.

Выбрано товаров: 0