Запчасти Komatsu WA200-3-XW ЭЛЕКТРИКА (ПОДОГРЕВ WIRE СТЕКЛА ЛИНИЯ) (ДЛЯ ПЕРЕДН. ЦЕНТР. ИБОКОВ. ОКНА) (С КАБИНОЙ ДЛЯ 2 ЧЕЛ.)(№-) КОМПОНЕНТЫ ДВИГАТЕЛЯ И ЭЛЕКТРИКА

Схема запчастей Komatsu WA200-3-XW - ЭЛЕКТРИКА (ПОДОГРЕВ WIRE СТЕКЛА ЛИНИЯ) (ДЛЯ ПЕРЕДН. ЦЕНТР. И БОКОВ. ОКНА) (С КАБИНОЙ ДЛЯ 2 ЧЕЛ.)(№-) КОМПОНЕНТЫ ДВИГАТЕЛЯ И ЭЛЕКТРИКА
FIT
1:1
100%

Артикул

Название

Примечание

Количество

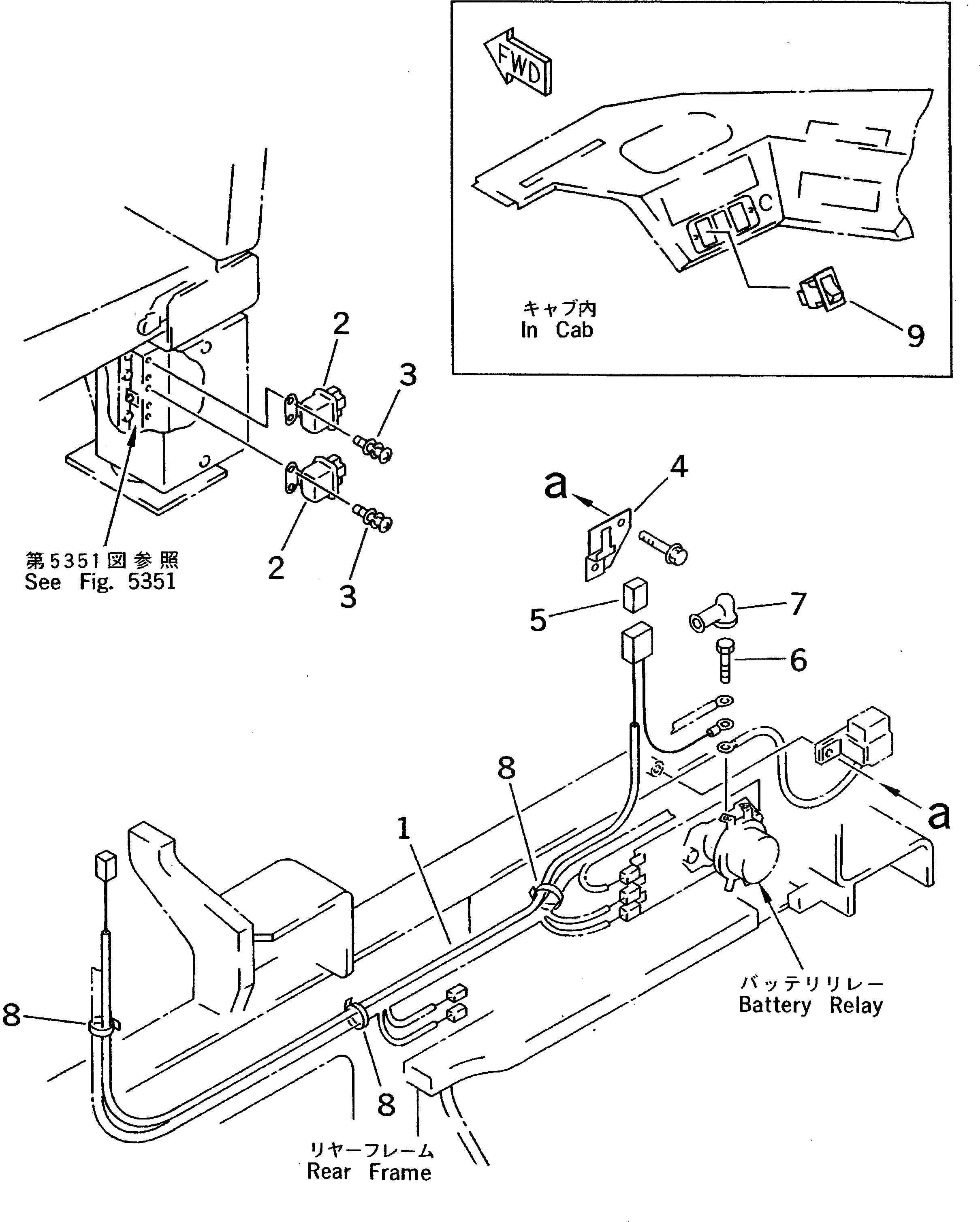
1

418-959-2111

WIRING HARNESS

SN: 60542-UP

1шт.

|1

418-959-2110

WIRING HARNESS

SN: 60001-60541

1шт.

2

8216-07-1310

RELAY

SN: 60001-UP

2шт.

3

421-09-21460

SCREW

SN: 60001-UP

4шт.

4

416-959-2110

BRACKET

SN: 60001-UP

1шт.

5

23S-06-25151

FUSE¤ 65A,SLOW BLOW

SN: 60001-UP

1шт.

6

01010-50816

BOLT

SN: 60001-UP

1шт.

7

08038-00035

CAP

SN: 60001-UP

1шт.

8

08034-20536

BAND

SN: 60001-UP

3шт.

9

423-959-2110

SWITCH,DEFROSTER

SN: 60001-UP

1шт.

Выбрано товаров: 0