Запчасти Komatsu WA200-5 ПОЛ (ПОЛ Э/ПРОВОДКА) (ОСНОВН. Э/ПРОВОДКА) (КРОМЕ ЯПОН.)(№99-) КАБИНА ОПЕРАТОРА И СИСТЕМА УПРАВЛЕНИЯ

Схема запчастей Komatsu WA200-5 - ПОЛ (ПОЛ Э/ПРОВОДКА) (ОСНОВН. Э/ПРОВОДКА) (КРОМЕ ЯПОН.)(№99-) КАБИНА ОПЕРАТОРА И СИСТЕМА УПРАВЛЕНИЯ
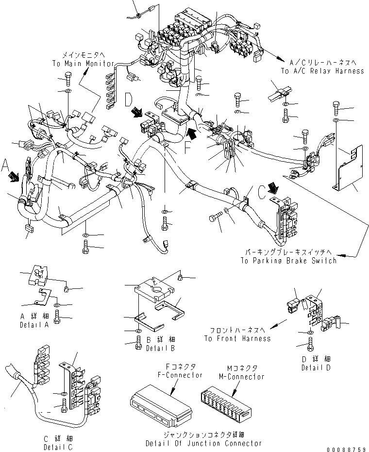
1
1
1
1
2
3
4
5
6
7
7
7
8
8
9
10
10
10
10
11
12
13
14
14
14
14
14
14
15
15
16
16
16
17
17
18
18
18
18
18
18
18
19
19
19
19
19
19
19
20
21
22
23
24
25
26
26
27
28
29
30
31
32
33
34
35
36
37
38
39
40
40
40
40
41
42
43
44
FIT
1:1
100%

Артикул

Название

Примечание

Количество

1

418-06-32750

WIRING HARNESS

SN: 69294-UP

1шт.

1

283-06-16110

BOX

SN: 65001-UP

2шт.

1

283-06-16160

TERMINAL

SN: 65001-UP

60шт.

2

19M-06-31720

RESISTOR

SN: 69294-UP

2шт.

3

20Y-06-25250

DIODE, 1.5A

SN: 65001-UP

2шт.

4

20Y-06-25260

DIODE, 1.5A

SN: 65001-UP

1шт.

5

418-06-35210

DIODE, 3A

SN: 65001-UP

9шт.

6

418-06-35220

DIODE, 1.5A

SN: 65001-UP

3шт.

7

HM6400-0016

F-CONNECTOR, ORANGE

SN: 65001-UP

3шт.

7

HM6409-0075

M-CONNECTOR, ORANGE

SN: 65001-UP

3шт.

8

HM6400-0014

F-CONNECTOR, BLUE

SN: 65001-UP

3шт.

8

HM6409-0073

M-CONNECTOR, BLUE

SN: 65001-UP

3шт.

9

HM6440-0129

F-CONNECTOR, PINK

SN: 65001-UP

1шт.

9

HM6440-0128

M-CONNECTOR, PINK

SN: 65001-UP

1шт.

10

HM6400-0186

F-CONNECTOR, BROWN

SN: 69294-UP

4шт.

10

HM6409-0603

M-CONNECTOR, BROWN

SN: 69294-UP

4шт.

11

HM6400-0013

F-CONNECTOR, GREEN

SN: 65001-UP

1шт.

11

HM6409-0072

M-CONNECTOR, GREEN

SN: 65001-UP

1шт.

12

HM6400-0081

F-CONNECTOR, GRAY

SN: 65001-UP

1шт.

12

HM6409-0255

M-CONNECTOR, GRAY

SN: 65001-UP

1шт.

13

04434-53212

CLIP

SN: 65001-UP

1шт.

14

04434-53412

CLIP

SN: 65001-UP

6шт.

15

23S-62-25850

CLIP

SN: 65001-UP

3шт.

16

04434-51912

CLIP

SN: 65001-UP

3шт.

17

04434-52312

CLIP

SN: 65001-UP

2шт.

18

01010-81016

BOLT

SN: 65001-UP

15шт.

19

01643-31032

WASHER

SN: 65001-UP

15шт.

20

08034-20519

BAND

SN: 65001-UP

8шт.

21

417-06-22410

PLATE

SN: 65001-UP

1шт.

22

418-06-32452

SHEET

SN: 65001-UP

1шт.

23

07049-01012

PLUG

SN: 65001-UP

1шт.

24

01010-80625

BOLT

SN: 65001-UP

2шт.

25

01643-30623

WASHER

SN: 65001-UP

2шт.

26

418-06-31610

PLATE

SN: 65001-UP

2шт.

27

418-06-31640

SHEET

SN: 65001-UP

1шт.

28

07049-01012

PLUG

SN: 65001-UP

1шт.

29

01010-80612

BOLT

SN: 65001-UP

4шт.

30

01643-30623

WASHER

SN: 65001-UP

4шт.

31

419-06-31333

BRACKET

SN: 65001-UP

1шт.

32

01010-81016

BOLT

SN: 65001-UP

2шт.

33

01643-31032

WASHER

SN: 65001-UP

2шт.

34

419-06-31343

BRACKET

SN: 65001-UP

1шт.

35

01010-81016

BOLT

SN: 65001-UP

2шт.

36

01643-31032

WASHER

SN: 65001-UP

2шт.

37

418-06-31381

BRACKET

SN: 65001-UP

1шт.

38

01010-81025

BOLT

SN: 65001-UP

2шт.

39

01643-31032

WASHER

SN: 65001-UP

2шт.

40

08059-00310

CLIP

SN: 65001-UP

20шт.

41

04434-53412

CLIP

SN: 65001-UP

1шт.

42

01010-81020

BOLT

SN: 65001-UP

1шт.

43

01643-31032

WASHER

SN: 65001-UP

1шт.

44

417-06-12560

GROMMET

SN: 65001-UP

1шт.

Выбрано товаров: 52