Запчасти Komatsu WA200-5 ТОРМОЗНАЯ ГИДРОЛИНИЯ КАБИНА ОПЕРАТОРА И СИСТЕМА УПРАВЛЕНИЯ

Схема запчастей Komatsu WA200-5 - ТОРМОЗНАЯ ГИДРОЛИНИЯ КАБИНА ОПЕРАТОРА И СИСТЕМА УПРАВЛЕНИЯ
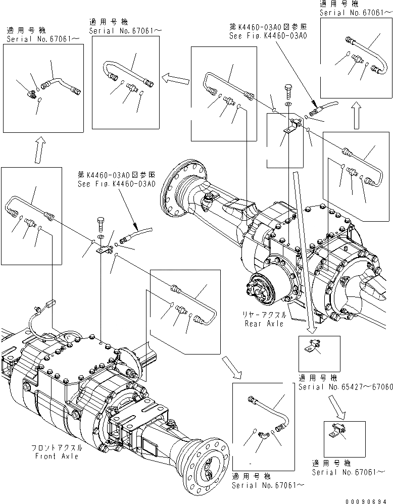
1
1
2
2
3
3
3
3
4
4
4
4
5
5
5
5
5
5
5
6
7
7
8
8
9
9
9
9
10
10
10
10
11
11
11
11
11
11
11
12
12
12
FIT
1:1
100%

Артикул

Название

Примечание

Количество

1

418-43-37523

TUBE

SN: 68001-UP

1шт.

1

418-43-37522

TUBE

SN: 67061-68000

1шт.

1

418-43-37521

TUBE

SN: 65001-67060

1шт.

2

418-43-37543

TUBE

SN: 68001-UP

1шт.

2

418-43-37542

TUBE

SN: 67061-68000

1шт.

2

418-43-37541

TUBE

SN: 65001-67060

1шт.

3

02782-10311

ELBOW

SN: 67061-UP

2шт.

3

02781-00210

UNION

SN: 65001-67060

2шт.

4

07002-11423

O-RING

SN: 65001-UP

2шт.

5

02896-11009

O-RING

SN: 67061-UP

5шт.

5

02896-11008

O-RING

SN: 65001-67060

5шт.

6

416-43-37430

TEE

SN: 67061-UP

1шт.

6

418-43-37530

TEE

SN: 65001-67060

1шт.

7

418-43-37490

TUBE

SN: 67061-UP

1шт.

7

418-43-37520

TUBE

SN: 65001-67060

1шт.

8

418-43-37480

TUBE

SN: 67061-UP

1шт.

8

418-43-37540

TUBE

SN: 65001-67060

1шт.

9

02781-00311

UNION

SN: 67061-UP

2шт.

9

02781-00210

UNION

SN: 65001-67060

2шт.

10

07002-11423

O-RING

SN: 65001-UP

2шт.

11

02896-11009

O-RING

SN: 67061-UP

5шт.

11

02896-11008

O-RING

SN: 65001-67060

5шт.

12

416-43-37440

TEE

SN: 67061-UP

1шт.

12

418-43-37530

TEE

SN: 65427-67060

1шт.

12

418-43-37550

TEE

SN: 65001-65426

1шт.

Выбрано товаров: 25