Запчасти Komatsu WA200-5 ЗАДН. Э/ПРОВОДКА (/) (ОСНОВН. Э/ПРОВОДКА) ЭЛЕКТРИКА

Схема запчастей Komatsu WA200-5 - ЗАДН. Э/ПРОВОДКА (/) (ОСНОВН. Э/ПРОВОДКА) ЭЛЕКТРИКА
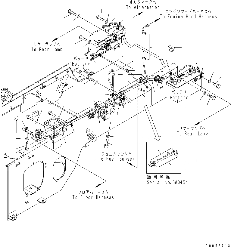
1
2
3
4
5
5
6
6
7
8
8
9
9
9
9
9
9
9
9
9
9
10
10
11
12
13
13
13
13
13
13
13
13
14
14
14
14
14
14
14
14
15
15
16
16
17
18
19
FIT
1:1
100%

Артикул

Название

Примечание

Количество

1

418-06-32347

WIRING HARNESS

SN: 65706-UP

1шт.

1

418-06-32346

WIRING HARNESS

SN: 65001-65705

1шт.

2

08028-CC100

CABLE, BATTERY

SN: 65001-UP

1шт.

3

08037-03620

GROMMET

SN: 65001-UP

2шт.

4

426-09-11230

GROMMET

SN: 65001-UP

2шт.

5

04434-52312

CLIP

SN: 65001-UP

3шт.

6

04434-51912

CLIP

SN: 68045-UP

1шт.

6

04434-52212

CLIP

SN: 65001-68044

3шт.

7

04434-52212

CLIP

SN: 68045-UP

2шт.

8

04434-51712

CLIP

SN: 65001-UP

2шт.

9

04434-51012

CLIP

SN: 65001-UP

11шт.

10

04434-51712

CLIP

SN: 65001-UP

2шт.

11

07095-20211

CUSHION

SN: 65001-UP

2шт.

12

04434-51012

CLIP

SN: 65001-UP

2шт.

13

01010-81020

BOLT

SN: 65001-UP

17шт.

14

01643-31032

WASHER

SN: 65001-UP

17шт.

15

01010-81016

BOLT

SN: 65001-UP

2шт.

16

01643-31032

WASHER

SN: 65001-UP

2шт.

17

08193-21012

CLIP

SN: 65001-UP

1шт.

18

14X-06-12280

COVER,L.H.

SN: 65001-UP

1шт.

19

08038-06031

CAP

SN: 65001-UP

2шт.

Выбрано товаров: 21