Запчасти Komatsu WA200-5 ЗАДН. Э/ПРОВОДКА (/) (ОСНОВН. Э/ПРОВОДКА) (КРОМЕ ЯПОН.) ЭЛЕКТРИКА

Схема запчастей Komatsu WA200-5 - ЗАДН. Э/ПРОВОДКА (/) (ОСНОВН. Э/ПРОВОДКА) (КРОМЕ ЯПОН.) ЭЛЕКТРИКА
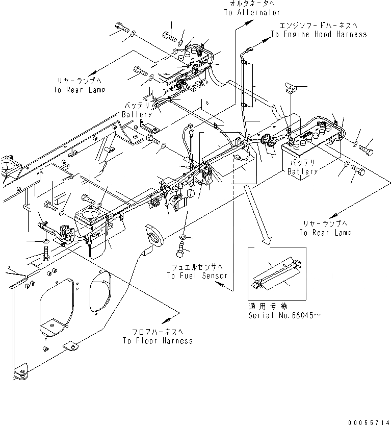
1
2
3
4
5
6
7
7
8
8
9
10
10
11
11
11
11
11
11
11
11
11
11
12
12
13
14
15
15
15
15
15
15
15
15
16
16
16
16
16
16
16
16
17
17
18
18
19
20
21
FIT
1:1
100%

Артикул

Название

Примечание

Количество

1

418-06-32347

WIRING HARNESS

SN: 65706-UP

1шт.

1

418-06-32346

WIRING HARNESS

SN: 65001-65705

1шт.

2

08028-CC100

CABLE, BATTERY

SN: 65001-UP

1шт.

3

08192-22100

CONNECTOR

SN: 65001-UP

1шт.

4

08191-00770

PLUG

SN: 65001-UP

2шт.

5

08037-03620

GROMMET

SN: 65001-UP

2шт.

6

426-09-11230

GROMMET

SN: 65001-UP

2шт.

7

04434-52312

CLIP

SN: 65001-UP

3шт.

8

04434-51912

CLIP

SN: 68045-UP

1шт.

8

04434-51912

CLIP

SN: 65001-68044

3шт.

9

04434-52212

CLIP

SN: 68045-UP

2шт.

10

04434-51712

CLIP

SN: 65001-UP

2шт.

11

04434-51012

CLIP

SN: 65001-UP

11шт.

12

04434-51712

CLIP

SN: 65001-UP

2шт.

13

07095-20211

CUSHION

SN: 65001-UP

2шт.

14

04434-51012

CLIP

SN: 65001-UP

2шт.

15

01010-81020

BOLT

SN: 65001-UP

17шт.

16

01643-31032

WASHER

SN: 65001-UP

17шт.

17

01010-81016

BOLT

SN: 65001-UP

2шт.

18

01643-31032

WASHER

SN: 65001-UP

2шт.

19

08193-21012

CLIP

SN: 65001-UP

1шт.

20

14X-06-12280

COVER

SN: 65001-UP

1шт.

21

08038-06031

CAP

SN: 65001-UP

2шт.

Выбрано товаров: 23