Запчасти Komatsu WA200-5 ЗАДН. Э/ПРОВОДКА (/) (ОСНОВН. Э/ПРОВОДКА) (ДЛЯ АККУМУЛЯТОР DISCONNECT ПЕРЕКЛЮЧАТЕЛЬ) ЭЛЕКТРИКА

Схема запчастей Komatsu WA200-5 - ЗАДН. Э/ПРОВОДКА (/) (ОСНОВН. Э/ПРОВОДКА) (ДЛЯ АККУМУЛЯТОР DISCONNECT ПЕРЕКЛЮЧАТЕЛЬ) ЭЛЕКТРИКА
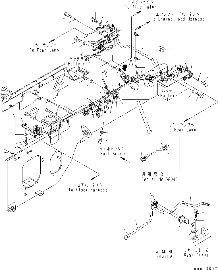
1
2
3
4
5
6
7
8
9
10
11
12
13
13
14
14
14
15
15
16
16
16
16
17
17
17
17
17
17
17
17
17
17
18
18
19
20
21
21
21
21
21
21
21
21
22
22
22
22
22
22
22
22
23
23
24
24
25
26
27
27
FIT
1:1
100%

Артикул

Название

Примечание

Количество

1

418-06-32347

WIRING HARNESS

SN: 65706-UP

1шт.

1

418-06-32346

WIRING HARNESS

SN: 65001-65705

1шт.

2

08192-22100

CONNECTOR

SN: 65001-UP

1шт.

3

08191-00770

PLUG

SN: 65001-UP

2шт.

4

08028-CC070

CABLE, BATTERY

SN: 65001-UP

1шт.

5

08028-CC055

CABLE, BATTERY

SN: 65001-UP

1шт.

6

08038-06031

CAP

SN: 65001-UP

2шт.

7

08066-00000

SWITCH

SN: 65001-UP

1шт.

8

417-06-33310

PLATE

SN: 65001-UP

1шт.

9

01010-81016

BOLT

SN: 65001-UP

2шт.

10

01643-31032

WASHER

SN: 65001-UP

2шт.

11

08037-03620

GROMMET

SN: 65001-UP

2шт.

12

426-09-11230

GROMMET

SN: 65001-UP

2шт.

13

04434-52312

CLIP

SN: 65001-UP

3шт.

14

04434-51912

CLIP

SN: 68045-UP

1шт.

14

04434-51912

CLIP

SN: 65001-68044

3шт.

15

04434-52212

CLIP

SN: 68045-UP

2шт.

16

04434-51712

CLIP

SN: 65001-UP

2шт.

17

04434-51012

CLIP

SN: 65001-UP

11шт.

18

04434-51712

CLIP

SN: 65001-UP

2шт.

19

07095-20211

CUSHION

SN: 65001-UP

2шт.

20

04434-51012

CLIP

SN: 65001-UP

2шт.

21

01010-81020

BOLT

SN: 65001-UP

17шт.

22

01643-31032

WASHER

SN: 65001-UP

17шт.

23

01010-81016

BOLT

SN: 65001-UP

2шт.

24

01643-31032

WASHER

SN: 65001-UP

2шт.

25

08193-21012

CLIP

SN: 65001-UP

1шт.

26

14X-06-12280

COVER

SN: 65001-UP

1шт.

27

08038-06031

CAP

SN: 65001-UP

2шт.

Выбрано товаров: 29