Запчасти Komatsu WA200-5 МОТОР (С ORIFICE) (/7)(№99-) ОСНОВН. КОМПОНЕНТЫ И РЕМКОМПЛЕКТЫ

Схема запчастей Komatsu WA200-5 - МОТОР (С ORIFICE) (/7)(№99-) ОСНОВН. КОМПОНЕНТЫ И РЕМКОМПЛЕКТЫ
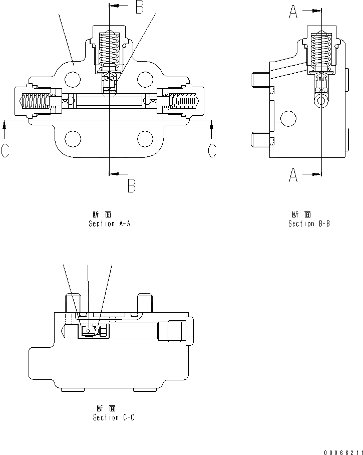
1
2
3
4
5
FIT
1:1
100%

Артикул

Название

Примечание

Количество

|$1

417-18-31302

MOTOR

SN: 69294-UP

1шт.

|$$2

THIS ASSEMBLY CONSISTS OF ALL PARTS SHOWN IN FIGS.Y1651-01A1A TO Y1651-07A1A .

-1шт.

|$3

UCR902121752

CONTROL,(SEE FIG. Y1651-04A1A)

SN: 69294-UP

1шт.

|$4

UCR902115810

FLASHING VALVE

SN: 69294-UP

1шт.

1

UCR902115775

FLASHING VALVE,(SEE FIG. Y1651-07A1A)

SN: 69294-UP

1шт.

2

UC1704258678

ORIFICE

SN: 69294-UP

1шт.

3

UC1704196956

ORIFICE

SN: 69294-UP

1шт.

4

UC1704002631

GUIDE

SN: 69294-UP

1шт.

5

UC1704002649

GUIDE

SN: 69294-UP

1шт.

Выбрано товаров: 9