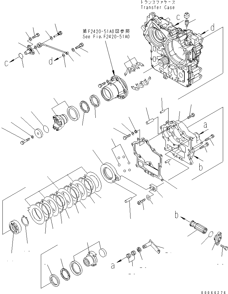
Запчасти Komatsu WA200-5 ПЕРЕДАЧА (/) (ВЫХОД) (ДЛЯ КРОМЕ ЯПОН.)(№97-) СИЛОВАЯ ПЕРЕДАЧА

Схема запчастей Komatsu WA200-5 - ПЕРЕДАЧА (/) (ВЫХОД) (ДЛЯ КРОМЕ ЯПОН.)(№97-) СИЛОВАЯ ПЕРЕДАЧА
1
2
3
3
4
4
5
6
7
8
9
10
11
12
13
14
15
16
17
18
18
18
18
19
19
19
19
20
20
21
22
23
23
24
25
26
27
28
29
30
31
32
33
34
35
36
37
38
39
40
41
42
43
43
44
44
45
46
FIT
1:1
100%

Артикул

Название

Примечание

Количество

|$$1

SERIAL NO. IN ( ) INDICATES TRANSMISSION SERIAL NO.

-1шт.

|$2

417-17-31004

TRANSFER ASS'Y

SN: 69107-UP

1шт.

|$$3

THIS ASSEMBLY CONSISTS OF ALL PARTS SHOWN IN FIGS.F2420-51A0 TO F2420-54A0.

-1шт.

1

417-17-33311

COUPLING

SN: (108031)-UP

1шт.

1

0

COUPLING COMPLETE

SN: 65001-(108030)

1шт.

1

0

COUPLING

SN: (108031)-UP

1шт.

1

0

COUPLING

SN: 65001-(108030)

1шт.

1

0

COVER

SN: 65001-UP

1шт.

2

418-17-33320

COUPLING, COMPLETE

SN: 65001-UP

1шт.

2

0

COUPLING

SN: 65001-UP

1шт.

2

0

COUPLING

SN: 65001-UP

1шт.

2

0

COVER

SN: 65001-UP

1шт.

2

0

COVER

SN: 65001-UP

1шт.

3

07012-50075

SEAL

SN: 65001-UP

2шт.

4

419-15-13660

SEAL

SN: 65001-UP

2шт.

5

423-22-11240

HOLDER

SN: 65001-UP

1шт.

6

01010-61680

BOLT

SN: 65001-UP

1шт.

7

01643-31645

WASHER

SN: 65001-UP

1шт.

8

07000-72055

O-RING

SN: 65001-UP

1шт.

9

418-17-33420

SHIM, 0.05MM

SN: 65001-UP

6шт.

9

418-17-33430

SHIM, 0.20MM

SN: 65001-UP

6шт.

9

418-17-33440

SHIM, 0.50MM

SN: 65001-UP

4шт.

10

418-17-38115

HOUSING

SN: 65001-UP

1шт.

11

01010-80812

BOLT

SN: 65001-UP

2шт.

12

01643-30823

WASHER

SN: 65001-UP

2шт.

13

418-17-38160

SPACER

SN: 65001-UP

2шт.

14

418-17-38210

HUB

SN: 65001-UP

1шт.

15

04064-06020

RING

SN: 65001-UP

1шт.

16

418-17-38221

PLATE

SN: 65001-UP

5шт.

17

418-17-38170

PIN

SN: 65001-UP

1шт.

18

418-17-39710

DISC

SN: 65001-UP

4шт.

19

56D-15-12710

SPRING

SN: 65001-UP

4шт.

20

418-17-38521

PISTON ASS'Y

SN: 65001-UP

1шт.

21

714-11-18340

BALL

SN: 65001-UP

6шт.

22

418-17-38134

GASKET

SN: 65001-UP

1шт.

23

04020-01228

PIN

SN: 65001-UP

2шт.

24

01010-81235

BOLT

SN: 65001-UP

8шт.

25

01010-81285

BOLT

SN: 65001-UP

4шт.

26

01011-81255

BOLT

SN: 65001-UP

1шт.

27

418-17-38142

LEVER

SN: 65001-UP

1шт.

28

714-11-19810

SEAL

SN: 65001-UP

1шт.

29

06120-02520

BEARING

SN: 65001-UP

2шт.

30

418-17-38150

LEVER

SN: 65001-UP

1шт.

31

113-43-23230

WASHER

SN: (107624)-UP

1шт.

31

714-09-16282

WASHER

SN: 65001-(107623)

1шт.

32

01252-30816

BOLT

SN: 65001-UP

1шт.

33

124-15-51740

MAGNET ASS'Y

SN: 65001-UP

1шт.

34

418-17-38120

COVER

SN: 65001-UP

1шт.

35

07000-73042

O-RING

SN: 65001-UP

1шт.

36

01010-81235

BOLT

SN: 65001-UP

2шт.

37

170-21-11190

NIPPLE

SN: 69107-UP

1шт.

38

418-17-34410

FLANGE

SN: 69107-UP

1шт.

39

07000-72040

O-RING

SN: 69107-UP

1шт.

40

01010-81030

BOLT

SN: 69107-UP

3шт.

41

01643-31032

WASHER

SN: 69107-UP

3шт.

42

418-17-34420

TUBE

SN: 69107-UP

1шт.

43

07005-02012

SEAL, WASHER

SN: 69107-UP

2шт.

44

07005-01212

SEAL, WASHER

SN: 69107-UP

2шт.

45

418-17-34440

JOINT

SN: 69107-UP

1шт.

46

07206-30812

BOLT

SN: 69107-UP

1шт.

Выбрано товаров: 0