Запчасти Komatsu WA200-5 ПОЛ (УПРАВЛЕНИЕ ПОГРУЗКОЙ) (/) (ШЛАНГИ) (ДЛЯ MONO РЫЧАГ) КАБИНА ОПЕРАТОРА И СИСТЕМА УПРАВЛЕНИЯ

Схема запчастей Komatsu WA200-5 - ПОЛ (УПРАВЛЕНИЕ ПОГРУЗКОЙ) (/) (ШЛАНГИ) (ДЛЯ MONO РЫЧАГ) КАБИНА ОПЕРАТОРА И СИСТЕМА УПРАВЛЕНИЯ
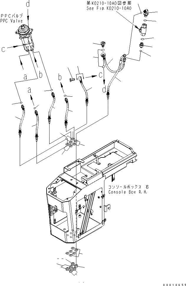
1
2
3
4
5
6
7
8
9
10
11
12
12
12
12
14
15
15
16
17
18
19
20
21
22
23
23
23
23
FIT
1:1
100%

Артикул

Название

Примечание

Количество

1

01583-11408

NUT

SN: 65001-UP

1шт.

2

418-43-38221

HOSE,RED

SN: 65001-UP

1шт.

3

11Y-62-12170

ELBOW

SN: 65001-UP

1шт.

4

02896-11008

O-RING

SN: 65001-UP

1шт.

5

07002-02034

O-RING

SN: 65001-UP

1шт.

6

8255-62-4370

UNION

SN: 65001-UP

1шт.

7

07002-02034

O-RING

SN: 65001-UP

1шт.

8

02896-11008

O-RING

SN: 65001-UP

1шт.

9

418-43-38231

HOSE,RED

SN: 65001-UP

1шт.

10

20Y-62-18910

BOLT

SN: 65001-UP

1шт.

11

07000-02018

O-RING

SN: 65001-UP

2шт.

12

07002-01423

O-RING

SN: 65001-UP

4шт.

14

418-43-38242

HOSE,RED

SN: 65001-UP

1шт.

15

01583-11408

NUT

SN: 65001-UP

4шт.

16

418-43-38252

HOSE,BLUE

SN: 65001-UP

1шт.

17

418-43-38262

HOSE,YELLOW

SN: 65001-UP

1шт.

18

418-43-38272

HOSE,ORANGE

SN: 65001-UP

1шт.

19

20Y-62-18890

BOLT

SN: 65001-UP

1шт.

20

07000-02018

O-RING

SN: 65001-UP

2шт.

21

418-43-38282

HOSE,BLUE

SN: 65001-UP

1шт.

22

01583-11408

NUT

SN: 65001-UP

1шт.

23

01643-31445

WASHER

SN: 65001-UP

12шт.

Выбрано товаров: 0