Запчасти Komatsu WA200-5 ПОЛ СУППОРТ КАБИНА ОПЕРАТОРА И СИСТЕМА УПРАВЛЕНИЯ

Схема запчастей Komatsu WA200-5 - ПОЛ СУППОРТ КАБИНА ОПЕРАТОРА И СИСТЕМА УПРАВЛЕНИЯ
1
1
2
2
3
4
5
6
FIT
1:1
100%

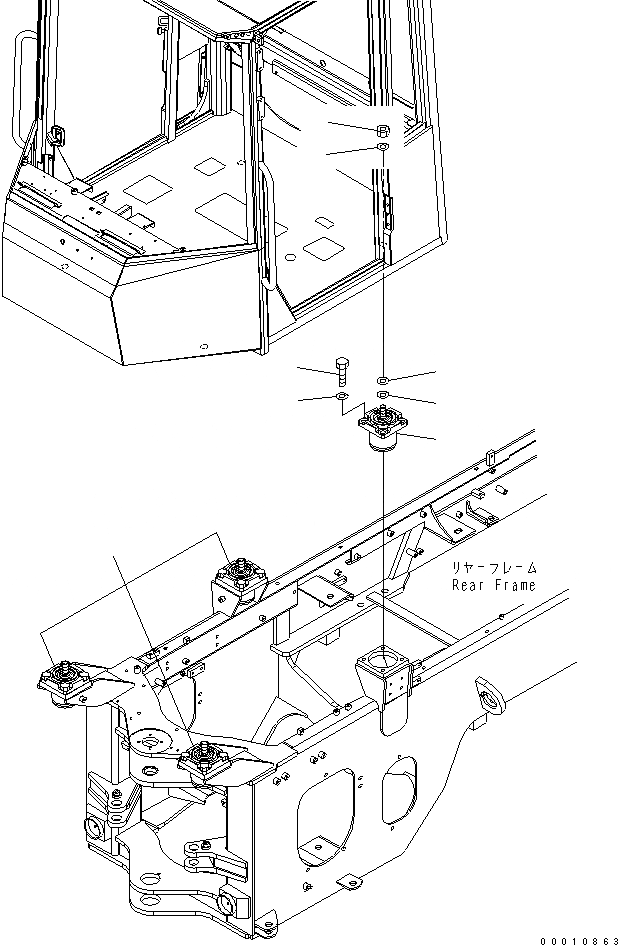
Артикул

Название

Примечание

Количество

1

418-54-33110

VISCOUS MOUNT

SN: 65001-UP

4шт.

2

01643-32460

WASHER

SN: 65001-UP

8шт.

3

01596-02419

NUT

SN: 65001-UP

4шт.

4

01010-81845

BOLT

SN: 65001-UP

16шт.

5

01643-31845

WASHER

SN: 65001-UP

16шт.

6

561-40-41210

SHIM¤ 1.2MM

SN: 65001-UP

4шт.

Выбрано товаров: 6